ZEN Machinery bardoshli NDX oxirgi assimilyatsiya pompasi BS EN733/DIN24255 ga muvofiq ishlab chiqilgan. Ushbu seriyali nasoslar almashtiriladigan qismlar, yuqori sifatli va arzon narxlardagi, fabrikalarda, shaxtalarda, shahar suv ta'minoti, yong'inga qarshi tizimlarda, konditsionerlik va sug'orish tizimlarida keng qo'llanilishida katta afzalliklarga ega.
A seriyasi DIN24255 / EN 733 standart end santrifüj nasos
• Suv ta'minoti va kanalizatsiya
• Issiqlik, konditsioner va sovutish minorasi
• Kema ballasti va pastki qismi
• Superchargers va Superchargers
• Irrigatsiya va dehqonchilik
• Suv ta'minoti va kanalizatsiya
• Oziq-ovqat kimyosi (zanglamaydigan po'latdan yasalgan materiallardan foydalangan holda)
AD seriyali DIN24255 / EN 733 standart so'nggi nasoslar va motorlar
• Suv ta'minoti va kanalizatsiya
• Issiqlik, konditsioner va sovutish minorasi
• Yong'in va yong'in xavfsizligi
• Kema ballasti va pastki qismi
• Superchargers va Superchargers
• Tadqiqot va qishloq xo'jaligi
• Suv ta'minoti va kanalizatsiya
• Oziq-ovqat kimyosi (zanglamaydigan po'latdan yasalgan materiallardan foydalangan holda)
| Qayta ishlash hajmi | DN32 ~ 300 mm | Oqim tezligi | 4~1584 m³/soat |
| Bosh | 2 ~ 150 m | ||
| O'rtacha harorat: -10 ~ 85 ℃ (standart) 85 ~ 105 ° ℃ (maxsus talab) | |||
|
Ish bosimi: ≤1.0MPa (standart) ≤1.6MPa (maxsus talab) |
|||
ZEN Machinery yuqori sifatli NDX End assimilyatsiya nasosi diapazoni BS EN733/DIN24255 ga muvofiq ishlab chiqilgan. Ushbu seriyali nasoslar zavodlarda, shaxtalarda, shahar suv ta'minoti, yong'inga qarshi, konditsionerlik, sug'orish va boshqa sohalarda keng qo'llaniladigan komponentlar almashinuvi, yuqori sifat, arzon narxlardagi afzalliklarga ega.
Savol: quyma temir
Savol: sharikli quyma temir
A: guruch
S: ASTM 420
45: 1045 m.
S304: ASTM 304
S316: ASTM 316
H: Ikki qatorli podshipnik
G: Katta o'qlar va podshipniklar
Standart: Standart
M: Mexanik muhr
P: Bosim to'ldiruvchisi
| Dizayn | Xususiyatlari va o'lchamlari Evropa standarti BSEN733/DIN24255ga mos keladi |
| Tarkibi | Gorizontal, eksenel so'nggi assimilyatsiya, bir bosqichli, so'nggi assimilyatsiya, volut tanasi, orqa chiqish |
| DN(mm) | 32 ~ 300 |
| Flanj | DIN2501 PN16 GB/T17241.6 PN1.6 |
| Qism | Standart material | So'rov bo'yicha variantlar |
| Ramka | Quyma temir | Egiluvchan temir/ASTM304/ASTM316 |
| Pervane | Guruch | Quyma temir/ASTM304/ASTM316 |
| Mil | ASTM420 | ASTM304/ASTM316/ASTM1045 |
| Milya muhri | Mexanik bosma | Bezlarni qadoqlash |
| Oqim tezligi (Q) | 4~1584 m³/soat |
| Bosh (H) | 2~150 m |
| Tezlik | 1450 yoki 2900 rpm (50Hz)/1750 yoki 3500 rpm (60Hz) |
| Maksimal harorat | 85 ℃ (standart); 105 ℃ (so'rov bo'yicha) |
| Ish bosimi | 1,0 MPa standarti; 1,6 MPa talab bo'yicha |
| Transport vositasi | Sof suv yoki fizik xususiyatlari bo'yicha toza suvga o'xshash suyuqliklar. |
| Kod | Belgilash |
| 1 | Ramka |
| 2 | Pervanel gayka |
| 2.1 | Kir yuvish mashinasi |
| 3 | Ring taqing |
| 3.1 | Ring taqilgan |
| 4 | Pervane |
| 5 | Uy-joy qoplamasi |
| 6 | Milni ajratuvchi |
| 7 | Mexanik muhr |
| 8 | Muhrlash qopqog'i |
| 8.1 | O-ring |
| 9 | Kauchuk slinger |
| 10 | Rulman ramkasi |
| Kod | Belgilash |
| 11 | Mil |
| 12 | Tashuvchi |
| 13 | Rulman qopqog'i |
| 14 | Qo'llab-quvvatlash oyog'i |
| 14.1 | Yassi kir yuvish mashinasi |
| 15 | Qadoqlash ushlagichi |
| 16 | Qadoqlash muhr qafasi |
| Bo'yin yeng | |
| 17 | Bezlarni o'rash |
| 18 | Yog 'muhrining qopqog'i |
| 19 | Uy-joy qistirmalari |
| 20 | Pin |
| 21 | Pin |
| Kod | Belgilash |
| 22 | Pin |
| 23 | Kalit |
| 24 | Kalit |
| 25 | Vintli murvat |
| 26 | Bir stakan sariyog ' |
| 27 | O'zimni his qildim |
| Yog 'muhr | |
| 28 | Pin |
| 29 | vilka |
| 30 | vilka |
| 31 | Yog 'shkalasi |
| 32 | Yog 'qopqog'i |
| 33 | Bo'yin qistirmalari |


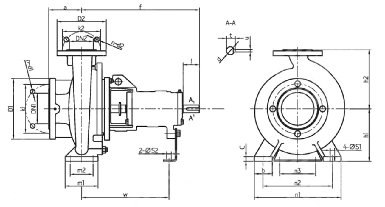
(ISO7005.2 DIN2501 PN16 GB/T17241.6 PN1.6)
| DN1/DN2 | 32 | 40 | 50 | 65 | 80 | 100 |
| D1/D2 | 140 | 150 | 165 | 185 | 200 | 220 |
| K1/K2 | 100 | 110 | 125 | 145 | 160 | 180 |
| n-d1/n-d2 | 4-f18 | 4-f18 | 4-f18 | 4-f18 | 8-f18 | 8-f18 |
| DN1/DN2 | 125 | 150 | 200 | 250 | 300 | 350 |
| D1/D2 | 250 | 285 | 340 | 405 | 460 | 520 |
| K1/K2 | 210 | 240 | 295 | 355 | 410 | 470 |
| n-d1/n-d2 | 8-f18 | 8-f22 | 12-22 | 12-f26 | 12-f26 | 16-26 |
| Model | Rulmanning ichki diametri | DN2 | DN1 | a | f | h1 | h2 | b | C | n3 | m1 | m2 | n1 | n2 | S1 | S2 | W | d | I | t | U | Massa (kg) |
| A32/13 | 25 | 32 | 50 | 80 | 360 | 112 | 140 | 50 | 14 | 100 | 100 | 70 | 190 | 140 | 14 | 14 | 267 | 24 | 50 | 27 | 8 | 29 |
| A32/16 | 132 | 160 | 240 | 190 | 35 | |||||||||||||||||
| A32/20 | 160 | 180 | 110 | 47 | ||||||||||||||||||
| A32/26 | 100 | 180 | 225 | 65 | 125 | 95 | 320 | 250 | 58 | |||||||||||||
| A40/13 | 40 | 65 | 80 | 112 | 140 | 50 | 100 | 100 | 70 | 210 | 160 | 31 | ||||||||||
| A40/16 | 132 | 160 | 240 | 190 | 34 | |||||||||||||||||
| A40/20 | 100 | 160 | 180 | 110 | 265 | 212 | 45 | |||||||||||||||
| A40/26(H) | 180 | 225 | 65 | 125 | 95 | 320 | 250 | 61 | ||||||||||||||
| A40/32 | 35 | 125 | 470 | 200 | 250 | 345 | 280 | 342 | 32 | 80 | 35 | 10 | 94 | |||||||||
| A40/32(H) | 200 | 250 | 107 | |||||||||||||||||||
| A40/32G | 45 | 526 | 200 | 250 | 367 | 42 | 110 | 45 | 12 | 105 | ||||||||||||
| A50/13 | 25 | 50 | 100 | 360 | 132 | 160 | 50 | 100 | 100 | 70 | 240 | 190 | 267 | 24 | 50 | 27 | 8 | 35 | ||||
| A50/16 | 160 | 180 | 110 | 265 | 212 | 39 | ||||||||||||||||
| A50/20 | 160 | 200 | 49 | |||||||||||||||||||
| A50/26(H) | 180 | 225 | 65 | 125 | 95 | 320 | 250 | 68 | ||||||||||||||
| A50/26G | 35 | 470 | 344 | 32 | 80 | 35 | 10 | 65 | ||||||||||||||
| A50/32(H) | 125 | 225 | 280 | 18 | 345 | 280 | 342 | 113 | ||||||||||||||
| A50/32G | 45 | 50 | 65 | 125 | 526 | 225 | 280 | 65 | 18 | 125 | 95 | 345 | 280 | 367 | 42 | 110 | 45 | 12 | 105 | |||
| A65/13 | 25 | 65 | 80 | 100 | 360 | 160 | 180 | 14 | 125 | 95 | 280 | 212 | 267 | 24 | 50 | 27 | 8 | 41 | ||||
| A65/16 | 160 | 200 | 47 | |||||||||||||||||||
| A65/20(H) | 180 | 225 | 320 | 250 | 55 | |||||||||||||||||
| A65/20G | 35 | 465 | 339 | 32 | 80 | 35 | 10 | 60 | ||||||||||||||
| A65/26 | 470 | 200 | 250 | 80 | 15 | 160 | 120 | 360 | 280 | 18 | 342 | 87 | ||||||||||
| A65/32(H) | 125 | 225 | 280 | 18 | 400 | 315 | 110 | |||||||||||||||
| A65/32G | 45 | 525 | 225 | 280 | 18 | 367 | 42 | 110 | 45 | 12 | 120 | |||||||||||
| A80/16 | 25 | 80 | 100 | 360 | 180 | 225 | 65 | 14 | 125 | 95 | 320 | 250 | 14 | 267 | 24 | 50 | 27 | 8 | 53 | |||
| A80/20 | 35 | 470 | 180 | 250 | 15 | 345 | 280 | 342 | 32 | 80 | 35 | 10 | 76 | |||||||||
| A80/26 | 200 | 280 | 80 | 160 | 120 | 400 | 315 | 18 | 95 | |||||||||||||
| A80/32(H) | 250 | 315 | 16 | 118 | ||||||||||||||||||
| A80/32G | 45 | 526 | 16 | 367 | 42 | 110 | 45 | 12 | 130 | |||||||||||||
| A80/40 | 530 | 280 | 355 | 83 | 18 | 440 | 340 | 370 | 160 | |||||||||||||
| A100/16 | 35 | 100 | 125 | 470 | 200 | 250 | 80 | 15 | 360 | 280 | 342 | 32 | 80 | 35 | 10 | 87 | ||||||
| A100/20 | 35 | 280 | 80 | 16 | 84 | |||||||||||||||||
| A100/26(H) | 140 | 225 | 280 | 400 | 315 | 102 | ||||||||||||||||
| A100/32 | 250 | 315 | 118 | |||||||||||||||||||
| A100/40 | 45 | 530 | 280 | 355 | 100 | 20 | 200 | 150 | 500 | 400 | 23 | 370 | 42 | 110 | 45 | 12 | 176 | |||||
| A125/20 | 35 | 125 | 150 | 470 | 250 | 315 | 80 | 16 | 160 | 120 | 400 | 315 | 18 | 342 | 32 | 80 | 35 | 10 | 112 | |||
| A125/26 | 250 | 355 | 117 | |||||||||||||||||||
| A125/32 | 45 | 530 | 280 | 355 | 100 | 18 | 200 | 150 | 500 | 400 | 23 | 370 | 42 | 110 | 45 | 12 | 155 | |||||
| A125/40 | 160 | 315 | 400 | 178 | ||||||||||||||||||
| FA125/50 | 55 | 670 | 355 | 450 | 25 | 550 | 450 | 500 | 48 | 110 | 51 | 14 | 300 | |||||||||
| A150/20 | 35 | 150 | 200 | 500 | 280 | 400 | 18 | 400 | 315 | 342 | 32 | 80 | 35 | 10 | 132 | |||||||
| A150/26 | 45 | 530 | 250 | 355 | 450 | 350 | 370 | 42 | 110 | 45 | 12 | 163 | ||||||||||
| A150/32 | 280 | 400 | 550 | 450 | 170 | |||||||||||||||||
| A150/40 | 315 | 450 | 207 | |||||||||||||||||||
| A150/50 | 55 | 180 | 670 | 375 | 500 | 22 | 500 | 48 | 51 | 14 | 330 | |||||||||||
| A200/26 | 45 | 200 | 250 | 555 | 315 | 450 | 20 | 28 | 392 | 42 | 45 | 12 | 219 | |||||||||
| A200/32 | 55 | 670 | 315 | 480 | 120 | 220 | 170 | 600 | 480 | 505 | 48 | 51 | 14 | 286 | ||||||||
| A200/40 | 335 | 480 | 250 | 328 | ||||||||||||||||||
| A200/50 | 65 | 200 | 250 | 200 | 720 | 425 | 560 | 100 | 22 | 140 | 200 | 150 | 660 | 560 | 23 | 19 | 515 | 60 | 140 | 64 | 18 | 450 |
| A250/32 | 55 | 250 | 300 | 220 | 691 | 355 | 520 | 150 | 26 | 110 | 250 | 200 | 660 | 510 | 28 | 14 | 525 | 48 | 110 | 51 | 14 | 366 |
| A250/40 | 682 | 400 | 560 | 516 | 396 | |||||||||||||||||
| A250/50 | 65 | 250 | 300 | 250 | 720 | 450 | 670 | 120 | 32 | 140 | 240 | 190 | 750 | 650 | 23 | 19 | 515 | 60 | 140 | 64 | 18 | 550 |
| A300/40 | 65 | 300 | 350 | 300 | 720 | 425 | 120 | 30 | 250 | 190 | 760 | 660 | 30 | 19 | 515 | 60 | 140 | 64 | 18 | 550 |