S Split Case Santrifüj nasosi bir bosqichli, gorizontal, ikki assimilyatsiya qiluvchi markazdan qochma nasos bo'lib, fizik va kimyoviy xossalari suvga o'xshash, maksimal harorati 80 ° C dan oshmaydigan toza suv va suyuqliklarni tashish uchun mo'ljallangan. Zavodlarda, shaxtalarda, shaharlarda va elektr stantsiyalarida suv ta'minoti va drenajlash, qishloq xo'jaligi erlarini drenajlash va sug'orish uchun, shuningdek, turli xil gidrotexnika loyihalari uchun javob beradi.
S tipidagi nasos - bu toza suv va suyuqliklarni suvga o'xshash fizik-kimyoviy xususiyatlarga ega, maksimal 80 ° C dan yuqori bo'lmagan haroratda tashish uchun mo'ljallangan va zavodlarda, shaxtalarda, shaharlarda va elektr stantsiyalarda, drenaj va sug'orish uchun mos keladigan o'rtacha ochiq turdagi bir bosqichli ikki bosqichli gorizontal santrifüj nasos. turli gidravlik operatsiyalar uchun er.
Seriyali nasoslar GB / T3216 va GB / T5657 standartlariga mos keladi.
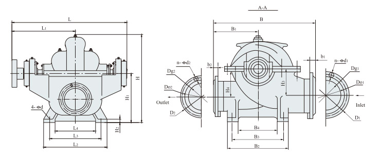
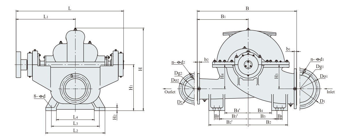
Nasosning barcha kirish va chiqishlari eksa ostida, gorizontal va o'qga perpendikulyar bo'lib, nasos korpusi o'rtada ochiladi, shuning uchun kirish va manba quvurini va dvigatelni (yoki boshqa asosiy dvigatelni) demontaj qilishning hojati yo'q. Debriyaj nuqtai nazaridan nasos soat yo'nalishi bo'yicha harakat qiladi. Nasos ham soat sohasi farqli o'laroq harakatlanishi mumkin, ammo buyurtmaga alohida e'tibor berilishi kerak.
Nasosning asosiy komponentlari: nasos korpusi (1), nasos qopqog'i (2), pervanel (3), o'q (4), er-xotin singdiruvchi sızdırmazlık halqasi (5), gilza (6), podshipnik (15) va boshqalar, yuqori sifatli uglerodli po'latdan yasalgan o'qdan tashqari, qolganlari quyma temirdan qilingan. Ushbu material turli muhitlarda boshqa materiallar bilan almashtirilishi mumkin.
Nasos korpusi va nasos qopqog'i vakuum o'lchagichlar va bosim o'lchagichlarni o'rnatish, shuningdek ularning ostidan drenajlash uchun kirish va chiqish gardishlarida tishli teshiklari bo'lgan pervanel studiyasini tashkil qiladi.
Pervanel statik muvozanatga ko'ra kalibrlanadi, har ikki tomondan korpusning qobig'i va gayka bilan o'rnatiladi, gayka yordamida siz uning eksenel holatini sozlashingiz va eksenel kuchni pichoqlarning nosimmetrik joylashuvi bilan muvozanatlashingiz mumkin, eksenel rulman qoldiq eksenel quvvatga bardosh bera oladi.
Nasos o'qi ikkita bitta qatorli markazlashtiruvchi sharli podshipniklar bilan ta'minlanadi, ular nasosning har ikki uchida rulman korpusiga o'rnatiladi va moylash bilan yog'lanadi. Ikki singdiruvchi sızdırmazlık halqasi pervaneldagi qochqinni kamaytirish uchun ishlatiladi. Nasos to'g'ridan-to'g'ri elastik mufta yordamida boshqariladi. (Agar rezina haydovchi ishlatilsa, qo'shimcha yordam o'rnatilishi kerak).
Vana plomba moddasining siqilishi bo'lib, havo o'tkazmaydigan bo'shliqni sovutish va moylash va plomba moddalari orasidagi nasosga havo kirishining oldini olish uchun plomba halqasi mavjud. Nasosning ishlashi paytida yuqori bosimli oz miqdorda suv to'ldiruvchining bo'shlig'iga konusning soqoli orqali kiradi va suv qopqog'i vazifasini bajaradi.
1. Rotor qismlarini yig'ish: nasosning o'qi bo'yicha navbatma-navbat, pervanel, gilza, gayka, tiqma qutisi, moyko'pikli halqa, tuzlangan muhr, mexanik muhr, mexanik muhr, suv ushlab turuvchi halqa va podshipnik, keyin esa debriyaj.
2. Pervanelning muhrlangan tashqi halqasini rotorning korpus ustunidan alohida tekshiring, uning lamel urishi quyidagi jadvalda ko'rsatilgan parametrlardan oshmasligi kerak.
3. Rotor nasos korpusiga o'rnatiladi, pervanelni uning eksenel holati har ikki tomonning er-xotin yutuvchi sızdırmazlık halqasining o'rtasida bo'lishi uchun sozlang, so'ngra uni mahkamlang va keyin rulman qopqog'ini harakatsiz vint bilan mahkamlang.
| Nominal diametri | <50 | 50~120 | 120~250 | 250~500 | 500 ~ 800 | 800~1250 |
| Sakrash qobiliyati | 0.03 | 0.04 | 0.05 | 0.06 | 0.08 | 0.10 |
4. To'ldirgichni (agar bu plomba siqilishi bo'lsa), oraliq teshikka va nasos qopqog'iga qog'oz yostig'ini yuklang, avval tishli quyruq konusining qarag'ayini torting, so'ngra nasos qopqog'ining gaykasini torting. To'ldiruvchi qopqog'ini o'rnating, lekin uni juda qattiq bosmang, aks holda yeng qizib ketishi mumkin va ko'proq energiya qoldiradi; Agar mexanik muhr ishlatilsa, qochqinning sodir bo'lmasligiga ishonch hosil qilish uchun mexanik muhrni siqish qobiliyatini sozlang.
Yig'ish tugagandan so'ng, nasos o'qini qo'lda harakatlantiring, u silliq va bir xil bo'lishi kerak va tegmasligi kerak. Demontaj yuqoridagilarga qarama-qarshi tarzda amalga oshirilishi mumkin.
1. Nasos va vosita shikastlanganligini tekshiring.
2. Nasosni o'rnatish balandligi assimilyatsiya quvurining gidravlik yo'qotishlari va uning tezligi tezligi, ya'ni birlikning NPSHA'si NPSHR dan ortiq bo'lishi kerak. Baza o'lchami nasos blokini o'rnatish hajmiga mos kelishi kerak.
3. O'rnatish tartibi:
(1) O'rnatilgan poydevor murvatidan foydalanib, nasosni beton poydevorga joylashtiring, xanjar yotqizishni sozlash orqali gorizontalni sozlang va murvatning siljishini oldini olish uchun murvatni to'g'ri torting.
(2) Poydevor va nasosning oyoqlari orasiga beton quying.
(3) Beton qotib qolgandan so'ng, er osti oyoqlari murvatlarini torting, nasosning gorizontalligini yana bir bor tekshiring.
(4) Nasos va dvigatelning o'qi o'rtasidagi konsentriklikni to'g'ri chiziqda bo'lishi uchun to'g'rilang. Ikki debriyajning tashqi halqalarining turli markazlashtirilganligiga ruxsat etilgan ruxsat 0,1 mm, aylana bo'ylab bir uchi va notekis orasidagi bo'shliq 0,3 mm (boshqa o'zgartirish ham suv ta'minotini ulash va ishga tushirishdan keyin yuqoridagi talablarga javob berishi kerak).
(5) Dvigatelning nasosning aylanish yo'nalishiga mos keladigan aylanish yo'nalishini aniqlagandan so'ng, debriyaj pimi o'rnatiladi.
4. Besleme va chiqish uchun quvurlar nasos korpusi emas, balki alohida tayanchlar bilan qo'llab-quvvatlanishi kerak.
5. Nasos va quvur liniyasi o'rtasidagi aloqa yaxshi sızdırmazlığı, ayniqsa kirish quvur liniyasini saqlab turishi kerak, bu havo oqmasligi kafolatlanishi kerak va qurilma ichiga o'rnatilishi mumkin emas.
6. Qoidaga ko'ra, nasos suv olish joyidagi suv sathidan yuqorida o'rnatilgan bo'lsa, nasos va suv in'ektsiyasini ishga tushirish uchun pastki valfni o'rnatishingiz mumkin, shuningdek, suvni to'kish uchun vakuum nasosidan foydalaning.
7. Nasoslarning chiqish quvurlari, qoida tariqasida, valf va qulflash klapanini o'rnatishni talab qiladi (20 m dan kam ko'tarilish o'rnatishni talab qilmaydi) va nazorat valfi vana orqasida o'rnatiladi.
O'rnatishning aytib o'tilgan usuli ijtimoiy asosga ega bo'lmagan nasoslarga tegishli.
Poydevor va beton o'rtasida an'anaviy poydevorga ega nasoslar uchun birlik darajasini to'g'rilash uchun xanjar shaklidagi temir qistirma ishlatiladi, so'ngra ular o'rtasida beton sementlanadi. O'rnatish printsipi va talablar umumiy asosga ega bo'lmagan nasoslar bilan bir xil.
1. Ishga tushirish va to‘xtatish
(1) Harakatlanuvchi nasosning rotorini ishga tushirishdan oldin, rotor sezgilari engil, silliq, bir xil bo'lishi kerak.
(2) Egzoz valfini yoping va suvni nasos bilan to'ldiring (pastki valf yo'q bo'lganda, suv suv yo'nalishi uchun vakuum pompasi bilan chiqariladi). Nasos suv bilan to'ldirilganligiga va havoga kirish imkoniga ega emasligiga ishonch hosil qiling.
(3) Dvigatelni ishga tushirishdan oldin, avval vakuum yoki manometr vilkasini o'chiring, agar u nasosga o'rnatilgan bo'lsa, nasosga ulang va keyin vosita normal tezlikda harakat qilganda vilkani yoqing; Keyin chiqish valfi asta-sekin ochilib, uni kattaroq iste'molda kamaytiradi yoki aksincha, oshiradi yoki oshiradi.
(4) Tomchilarning tushishiga yo'l qo'ymaslik uchun plomba qopqog'idagi bosimli gaykani bir tekis torting va plomba bo'shlig'idan tashqarida haroratning oshishiga e'tibor bering.
(5) Nasos to'xtaganda, avval vakuum yoki manometrning vilkasini va suv ta'minotidagi valfni o'chiring va keyin dvigatel quvvatini o'chiring. Past atrof-muhit haroratida, muz yoriqlarini oldini olish uchun nasos korpusi ostidagi kvadrat vilkasini oching va qolgan suvni to'kib tashlang.
(6) Uzoq to'xtash vaqtida nasosni olib tashlang va qismlarni quriting va ishlov berilgan yuzaga korroziyaga qarshi moy surting.
2. Yugurish
(1) Nasosi podshipnikining maksimal harorati 75 ° C dan oshmasligi kerak
(2) Soqol rulmanlari uchun kaltsiy asosidagi moylash materiallari hajmi podshipniklardagi bo'shliqlarning 1/3 - 1/2 qismini saqlash uchun javob beradi.
(3) Agar qopqoqning qopqog'i biroz eskirgan bo'lsa, moy muhrining qopqog'ini to'g'ri bosish kerak va agar aşınma juda katta bo'lsa, moy muhrining qopqog'ini almashtirish kerak.
(4) muntazam ravishda elastik debriyajni tekshiring va dvigatel podshipniklarining haroratini oshirishga e'tibor bering.
(5) Ish paytida, shovqin yoki boshqa noodatiy tovushlar eshitilganda, sababni aniqlash va uni yo'q qilish uchun darhol to'xtash kerak.
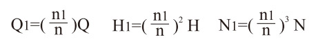
(6) Nasos tezligini o'zboshimchalik bilan oshirmang, lekin siz nasos tezligini kamaytirishingiz mumkin. Masalan, bu turdagi nasoslar uchun nominal aylanish tezligi n, Q iste'moli, bosim H, o'qning quvvati N, kamaytirilgan tezlik N1, iste'mol, tezlik pasaygandan keyin o'qning bosimi va quvvati mos ravishda Q1, H1 va N1 ga teng. Transformatsiya quyidagi formula bo'yicha amalga oshiriladi.
| Muvaffaqiyatsizlik | Sabab | muammolarni bartaraf qilish; nosozliklarni TUZATISH |
| 1. Nasos suvni so'rmaydi, u bosim ko'rsatkichi va vakuummetrni juda sakrab o'tadi |
1. Yog'ochli suv etarli emas; 2. Oqish quvur liniyasidan yoki hisoblagichdan keladi. |
1. Ko'proq suv quying; 2. Oqish joyini torting yoki to'sib qo'ying. |
| 2. Nasos suvni so'rmaydi, vakuumda yuqori vakuum ko'rsatiladi. |
1. Qabul qiluvchi valf ochiq yoki qulflanmagan; 2. Shlangi quvur liniyasining qarshiligi juda ko'p; 3. Suvni yutish balandligi juda yuqori |
1. Pastki valfni to'g'rilang yoki almashtiring; 2. Quvurni yuving yoki almashtiring; 3. Balandlikni kamaytiring |
| 3. Suv nasosdan chiqmaydi, bosim o'lchagichda ko'rsatiladi. |
1. Suvning egzoz quvuriga juda yuqori qarshilik; 2. Noto'g'ri aylanish yo'nalishi; 3. Pervanel blokirovka qilingan; 4. Aylanish tezligining etarli emasligi. |
1. Quvurni tekshiring yoki qisqartiring; 2. Dvigatelning aylanish yo'nalishini to'g'rilash 3. Uni yechib oling; 4. Besleme kuchlanishini tekshiring va tezlikni oshiring |
| 4. Iste'molning etarli emasligi yoki juda past bosim. |
1. Ishlaydigan g'ildirak yoki ikkala suv olish va oxirgi suv quvurlari yopiq 2. Ikki marta assimilyatsiya qilishning muhrlangan halqasi yoki ishlaydigan g'ildirakning shikastlanishi tufayli juda ko'p aşınma bor; 3. Aylanish tezligi berilgan qiymatdan past. |
1. Ishchi g'ildirak yoki quvur liniyasini tozalang; 2. Uni almashtiring; 3. Uni nominal qiymatga sozlang. |
| 5. nasos tomonidan juda ko'p quvvat iste'moli |
1. Paket juda qattiq bosilgan; 2. Ishchi g'ildirak va er-xotin singdirishning muhrlangan halqasi orasidagi ishqalanish; 3. Iste'mol juda katta. |
1. Uni zaiflashtirmoq; 2. Uni bartaraf etish sababini tekshiring; 3. Valfning ochilishini kamaytiring |
| Muvaffaqiyatsizlik | Sabab | muammolarni bartaraf qilish; nosozliklarni TUZATISH |
| 6. Nasos ichidagi noodatiy tovush, suv nasosga kirmaydi. |
1. Shlangi quvur liniyasining qarshiligi juda ko'p; 2. Juda yuqori assimilyatsiya balandligi; 3. Suv so'rish joyiga havo so'riladi 4. Suyuqlikni so'rib olishda harorat juda yuqori; 5. Bug'ning yo'qolishi juda ko'p iste'mol qilish tufayli yuzaga keladi. |
1. Shlangi quvur liniyasi va pastki valfni tayyorlang; 2. Uni pastga tushiring; 3. Pastki valfni tekshiring, assimilyatsiya balandligini kamaytiring, havo oqadigan joyni to'sib qo'ying; 4. Uni o'rnating; 5. Suv uchun egzoz eshigini o'rnatilgan ishlash oralig'ida ishlashi uchun sozlang. |
| 7. Nasosning anormal tebranishi. |
1. Bu holda bug 'yo'qolishi sodir bo'ladi; 2. Ishchi g'ildirak muvozanatlashtirilmagan; 3. Nasos va dvigatelning o'qi konsentrik emas; 4. Oyoqdagi soch turmagi zaiflashdi |
1. Valfni ma'lum ishlash oralig'ida ishlash uchun sozlang; 2. Ishchi g'ildirak uchun statik tuzatishni oling; 3. To'g'ri konsentriklik 4. Uni mahkamlang |
| 8. Rulman haddan tashqari qizib ketgan |
1. Yog 'bo'lmagan ichki qismning etishmasligi; 2. Nasos va dvigatelning o'qi bir xil markaziy chiziqda emas |
1. Rulman korpusini tekshiring va tozalang, uni moylang; 2. Ikkala markaziy chiziqda bo'lishi uchun konsentriklikni to'g'rilang. |
| 1 | Nasos tanasi | 2 | Salnikli to'ldirish | 3 | Paket | 4 | Muhrlash halqasi | 5 | Qadoqlash birikmasi | 6 | Qadoqlash yengi | 7 | Mil |
| 8 | Nasos qopqog'i | 9 | Ishlaydigan g'ildirak | 10 | Kalit |
11 | Ikki marta changni yutish halqasi | 12 | Mexanik muhr bilan muffle | 13 | Mexanik bosib chiqarish | 14 | Mexanik muhrlangan moy muhri |
| 15 | Birlashmaning gaet | 16 | Rulman moy muhri | 17 | Mahkamlash vinti | 18 | Rulman korpusining moy muhri | 19 | Rulman qutisi | 20 | Yagona postli markazlashtiruvchi sharikli podshipnik | 21 | Tutib oling |
| Nasos turi | Iste'mol Q. | Bosh (m) |
tezlik (d/daq) |
Quvvat (KVt) | Samaradorlik % |
(NPSH) r (m) |
Og'irligi (kg) |
||
| (m³/soat) | (L/s) | Milning kuchi |
Dvigatel | ||||||
| 150S-100 |
120 160 192 |
33.3 44.4 53.3 |
103 100 92 |
2950 |
48.8 59.7 67.7 |
75 |
69 73 71 |
4.5 | 168 |
| 150S-78 |
126 160 198 |
35.0 44.4 55.0 |
84 78 70 |
2950 |
41.2 45.9 53.1 |
55 |
70 74 71 |
4.5 | 158 |
| 150S-78A |
112 140 180 |
31.1 39 50.0 |
65 60 53.5 |
2950 |
29.1 31.8 37.5 |
45 |
68 72 70 |
4.5 | 158 |
| 150S-50 |
130 160 220 |
36.1 44.4 61.1 |
52 50 40 |
2950 |
25.2 27.6 31.5 |
37 |
73 79 76 |
4.5 | 147 |
| 150S-50A |
112 140 180 |
31.1 38.9 50.0 |
42 39 34 |
2950 |
18.3 19.8 22.8 |
30 |
70 75 73 |
4.5 | 147 |
| 150S-50B |
108 133 160 |
30.0 36.9 44.4 |
38 36 32 |
2950 |
16.9 18.4 19.4 |
22 |
66 71 72 |
4.5 | 147 |
| 200S-95 |
200 280 324 |
55.6 77.8 90.0 |
102 95 85 |
2950 |
81.7 94.0 100.0 |
132 |
68 77 75 |
5 | 240 |
| 200S-95A |
180 268 310 |
50.0 74.4 86.1 |
95 87 78 |
2950 |
71.6 84.6 90.2 |
110 |
65 75 73 |
5 | 240 |
| 200S-95B |
165 245 298 |
45.8 68.1 82.8 |
81 72 60 |
2950 |
56.4 64.9 69.5 |
75 |
64.5 74 70 |
5 | 240 |
| 200S-63 |
216 280 351 |
60.0 77.8 97.5 |
70.4 63 52 |
2950 |
55.9 59.3 69.0 |
75 |
74 81 72 |
5 | 187 |
| 200S-63A |
186 270 332 |
51.7 75.0 92.2 |
56.5 48 38.5 |
2950 |
41.5 45.8 49.0 |
55 |
69 77 71 |
5 | 187 |
| 200S-42 |
216 280 342 |
60.0 77.8 95.0 |
48 42 35 |
2950 |
35.3 37.7 41.0 |
45 |
80 85 79.5 |
5 | 219 |
| 200S-42A |
198 270 310 |
55.0 75.0 86.1 |
43 36 31 |
2950 |
31.3 33.1 34.6 |
37 |
74 80 75.5 |
5 | 219 |
| 250S-65 |
360 485 612 |
100.0 134.7 170.0 |
70 65 54 |
1480 |
91.5 108.6 127.6 |
132 |
75 79 70.5 |
3.8 | 518 |
| 250s-65A |
300 420 535 |
83.3 116.7 148.6 |
53 48 40 |
1480 |
61.8 71.3 79.8 |
90 |
70 77 73 |
3.8 | 518 |
| 250S-39 |
360 485 612 |
100.0 134.7 170.0 |
43 39 32.5 |
1480 |
55.4 62.0 69.4 |
75 |
76 83 78 |
3.8 | 400 |
| 250s-39a |
324 420 576 |
90.0 116.7 160.0 |
31.5 29 22 |
1480 |
38.6 42.5 48.6 |
55 |
72 78 71 |
3.8 | 400 |
| 250S-24 |
360 485 576 |
100.0 134.7 160.0 |
27 24 19 |
1480 |
33.1 36.8 36.3 |
45 |
80 86 82 |
3.8 | 305 |
| 250S-24A |
342 420 482 |
95.0 116.7 133.9 |
22 20 17 |
1480 |
25.9 27.6 27.9 |
37 |
79 83 80 |
3.8 | 305 |
| 250S-14 |
360 485 576 |
100.0 134.7 160.0 |
14 11 |
1480 |
20.8 21.7 22.1 |
30 |
80 85 78 |
3.8 | 305 |
| 250S-14A |
320 420 505 |
88.9 116.7 140.3 |
10 12 10 8.2 |
1480 |
13.2 14.1 14.5 |
18.5 |
79 81 78 |
3.8 | 305 |
| Nasos turi | Iste'mol Q. | Bosh (m) |
Tezlik (d/daq) |
Quvvat (KVt) | Samaradorlik % |
(NPSH) r (m) |
Og'irligi (kg) |
||
| (m³/soat) | (L/s) | Milning kuchi | Dvigatel | ||||||
| 300S-90 |
590 790 936 |
163.9 219.4 260.0 |
95 90 86 |
1480 |
224.4 251.4 277.4 |
315 |
68 77 79 |
4.8 | 950 |
| 300S-90A |
576 756 918 |
160.0 210.0 255.0 |
83 78 72 |
1480 |
200.2 216.9 239.9 |
280 |
65 74 75 |
4.8 | 950 |
| 300S-90B |
546 720 900 |
151.7 200.0 250.0 |
72 67 57 |
1480 |
169.9 185.0 194.0 |
220 |
63 71 72 |
4.8 | 950 |
| 300S-58 |
576 790 972 |
160.0 219.4 270.0 |
65 58 50 |
1480 |
135.9 148.5 165.4 |
185 |
75 84 80 |
4.8 | 599 |
| 300S-58A |
529 735 893 |
146.9 204.2 248.1 |
55 50 42 |
1480 |
110.0 122.0 129.2 |
160 |
72 82 79 |
4.8 | 599 |
| 300S-58B |
504 685 835 |
140.0 190.3 231.9 |
47.2 43 37 |
1480 |
91.2 100.2 109.2 |
132 |
71 80 77 |
4.8 | 599 |
| 300S-32 |
612 790 900 |
170.0 219.4 250.0 |
36.5 32 27.3 |
1480 |
74.2 79.1 83.6 |
90 |
82 87 80 |
4.8 | 709 |
| 300S-32A |
537 700 790 |
149.2 194.4 219.4 |
29 26 22.5 |
1480 |
53.7 59.0 62.0 |
75 |
79 84 78 |
4.8 | 709 |
| 300S-19 |
612 790 935 |
170.0 219.4 259.7 |
22 19 15.5 |
1480 |
45.8 48.4 52.6 |
55 |
80 84.5 75 |
4.8 | 434 |
| 300S-19A |
485 700 798 |
134.7 194.4 221.7 |
18 15 13 |
1480 |
32.1 35.7 37.2 |
45 |
74 80 76 |
4.8 | 434 |
| 300S-12 |
612 790 900 |
170.0 219.4 250.0 |
14.5 12 10 |
1480 |
30.2 31.1 33.1 |
37 |
80 83 74 |
4.8 | 413 |
| 300S-12A |
515 700 785 |
143.1 194.4 218.1 |
11.5 10 9 |
1480 |
22.4 24.4 25.6 |
30 |
72 78 75 |
4.8 | 413 |
| 350S-125 |
850 1260 1660 |
236.1 350.0 461.1 |
135 125 110 |
1480 |
446.3 542.7 685.6 |
710 |
70 79 72.5 |
5.5 | 1580 |
| 350S-125A |
787 1181 1550 |
218.6 328.1 430.6 |
121 112 100 |
1480 |
381.2 461.6 594.3 |
630 |
68 78 71 |
5.5 | 1580 |
| 350S-125B |
700 1098 1350 |
194.4 305.0 375.0 |
104 96 89 |
1480 |
300.3 372.7 448.0 |
500 |
66 77 73 |
5.5 | 1580 |
| 350S-75 |
972 1260 1440 |
270.0 350.0 400.0 |
80 75 69 |
1480 |
264.6 302.6 329.9 |
355 |
80 85 82 |
5.5 | 1200 |
| 350s-75a |
900 1170 1332 |
250.0 325.0 370.0 |
70 65 60 |
1480 |
219.9 252.5 275.4 |
315 |
78 82 79 |
5.5 | 1200 |
| 350s-75B |
800 1080 1200 |
222.2 300.0 333.3 |
60 55 52 |
1480 |
174.2 204.7 220.6 |
280 |
75 79 77 |
5.5 | 1200 |
| 350S-44 |
972 1260 1476 |
270.0 350.0 410.0 |
50 44 37 |
1480 |
163.3 177.6 188.2 |
220 |
81 85 79 |
5.5 | 1105 |
| 350S-44A |
876 1116 1360 |
243.3 310.0 377.8 |
41 36 30 |
1480 |
123.8 131.8 140.6 |
160 |
79 83 79 |
5.5 | 1105 |
| 350S-26 |
972 1260 1440 |
270.0 350.0 400.0 |
29 26 22 |
1480 |
93.6 101.3 102.7 |
132 |
82 88 84 |
5.5 | 672 |
| Nasos turi | Iste'mol Q. | Bosh (m) |
Tezlik (d/daq) |
Quvvat (KVt) | Samaradorlik % |
(NPSH) r (m) |
Og'irligi (kg) |
||
| (m³/soat) | (L/s) | Milning kuchi | Dvigatel | ||||||
| 350s-26A |
840 1130 1260 |
233.3 313.9 350.0 |
24 21 19 |
1480 |
70.4 77.8 81.5 |
90 |
78 83 80 |
5.5 | 672 |
| 350S-16 |
960 1260 1440 |
266.7 350.0 400.0 |
19.5 16 13 |
1480 |
61.4 63.8 67.9 |
75 |
83 86 75 |
5.5 | 632 |
| 350S-16A |
800 1130 1340 |
222.2 313.9 372.2 |
15 12 9.5 |
1480 |
42.4 45.6 48.1 |
55 |
77 81 72 |
5.5 | 632 |
| 400S-90 |
1140 1620 1980 |
316.7 450.0 550.0 |
102 90 78 |
1480 |
403.2 461.5 512.7 |
560 |
78.5 86 82 |
7.9 | 1450 |
| 400S-90A |
1020 1460 1850 |
283.3 405.6 5139 |
89 78 66 |
1480 |
320.9 369.1 415.5 |
450 |
77 84 80 |
7.9 | 1450 |
| 400S-90B |
960 1330 1720 |
266.7 369.4 477.8 |
78 68 56 |
1480 |
268.2 300.2 336.2 |
400 |
76 82 78 |
7.9 | 1450 |
| 400S-40 |
800 1080 1320 |
222.2 300.0 366.7 |
45 40 32 |
970 |
124.1 140.0 149.3 |
185 |
79 84 77 |
4.9 | 1800 |
| 400S-40A |
720 960 1150 |
200.0 266.7 319.4 |
39.5 35 29.5 |
970 |
100.5 111.5 121.5 |
160 |
77 82 76 |
4.9 | 1800 |
| 500S-98 |
1620 2020 2340 |
450.0 561.1 650.0 |
104.5 98 92 |
970 |
598.5 673.6 741.8 |
800 |
77 80 79 |
6 | 2360 |
| 500S-98A |
1500 1872 2170 |
416.7 520.0 602.8 |
88 83 77 |
970 |
479.1 535.4 583.1 |
630 |
75 79 78 |
6 | 2360 |
| 500S-98B |
1400 1746 2020 |
388.9 485.0 561.1 |
79 74 71 |
970 |
401.4 448.1 500.5 |
560 |
75 78.5 78 |
6 | 2360 |
| 500S-59 |
1620 2020 2340 |
450.0 561.1 650.0 |
64 59 53 |
970 |
357.3 390.9 422.0 |
450 |
79 83 80 |
6 | 2150 |
| 500S-59A |
1500 1872 2170 |
416.7 520.0 602.8 |
53 49 45 |
970 |
288.6 316.1 345.2 |
400 |
75 79 77 |
6 | 2150 |
| 500S-59B |
1400 1746 2020 |
388.9 485.0 561.1 |
43 40 36.5 |
970 |
227.6 250.2 267.6 |
315 |
72 76 75 |
6 | 2150 |
| 500S-35 |
1620 2020 2340 |
450.0 561.1 650.0 |
40 35 30.5 |
970 |
207.5 218.7 228.6 |
280 |
85 88 85 |
6 | 1600 |
| 500S-35A |
1400 1746 2020 |
388.9 485.0 561.1 |
30 27 24 |
970 |
139.4 151.0 159.0 |
220 |
82 85 83 |
6 | 1600 |
| 500S-22 |
1620 2020 2340 |
450.0 561.1 650.0 |
24.5 22 19.4 |
970 |
136.8 144.0 145.4 |
160 |
79 84 85 |
6 | 1722 |
| 500S-22A |
1400 1746 2020 |
388.9 485.0 561.1 |
19 17 15 |
970 |
97.9 101.0 101.8 |
132 |
74 80 81 |
6 | 1722 |
| 500S-13 |
1620 2020 2340 |
450.0 561.1 650.0 |
15 13 10 |
970 |
82.7 86.1 81.7 |
110 |
80 83 78 |
6 | 1730 |
| 600S-100 |
2160 3170 3600 |
600.0 880.6 1000.0 |
110 100 92 |
970 |
829.2 1015.2 1073.3 |
1400 |
78 85 84 |
6 | 7200 |
| 600S-100A |
1980 3000 3240 |
550.0 833.3 900.0 |
100 90 85 |
970 |
700.0 875.0 914.3 |
1120 |
77 84 82 |
6 | 7200 |
| Nasos turi | Iste'mol Q. | Bosh (m) |
Tezlik (d/daq) |
Quvvat (KVt) | Samaradorlik % |
(NPSH) r (m) |
Og'irligi (kg) |
||
| (m³/soat) | (L/s) | Milning kuchi | Dvigatel | ||||||
| 600S-100B |
1800 2830 3060 |
500.0 786.1 850.0 |
90 80 75 |
970 |
588.0 751.6 780.9 |
1000 |
75 82 80 |
6 | 7200 |
| 600S-75 |
2160 3170 3600 |
600.0 880.6 1000.0 |
84 75 68 |
970 |
633.2 761.4 802.9 |
900 |
78 85 83 |
7.5 | 2600 |
| 600S-75A |
1980 2880 3240 |
550.0 800.0 900.0 |
68 62 58 |
970 |
488.7 607.6 655.8 |
800 |
75 80 78 |
7.5 | 2600 |
| 600S-75B |
1750 2650 3150 |
486.1 736.1 875.0 |
60 55 50 |
970 |
408.3 508.7 579.4 |
630 |
70 78 74 |
7.5 | 2600 |
| 600S-47 |
2160 3170 3600 |
600.0 880.6 1000.0 |
54 47 43 |
970 |
401.9 460.9 507.7 |
560 |
79 88 83 |
7.5 | 2800 |
| 600S-47A |
1980 2920 3240 |
550.0 811.1 900.0 |
45 40 37 |
970 |
311.0 369.7 398.0 |
450 |
78 82 |
7.5 | 2800 |
| 600S-32 |
2160 3170 3600 |
600.0 880.6 1000.0 |
36 32 29 |
970 |
271.4 313.8 334.4 |
400 |
78 88 85 |
7.5 | 2300 |
| 600S-32A |
2000 2880 3240 |
555.6 800.0 900.0 |
30 27 25 |
970 |
214.9 246.1 262.5 |
280 |
76 86 84 |
7.5 | 2300 |
| 600S-32B |
1800 2628 3000 |
500.0 730.0 833.3 |
24.5 22 20 |
970 |
164.5 187.4 199.2 |
250 |
73 84 82 |
7.5 | 2300 |
| 600S-22 |
2520 3170 3600 |
700.0 880.6 1000.0 |
25 22 19 |
970 |
204.2 215.7 227.1 |
250 |
84 88 82 |
7 | 2300 |
| 600S-22A |
2160 2880 3240 |
600.0 800.0 900.0 |
21 18 16 |
970 |
152.4 162.2 170.0 |
185 |
81 87 83 |
7 | 2300 |
| 800S-22 |
4320 5500 6480 |
1200.0 1527.8 1800.0 |
25 22 19 |
730 |
358.5 370.1 389.7 |
450 |
82 89 86 |
7 | 3800 |
|
3000 4400 5040 |
8333 1222.2 1400.0 |
16 14 12.5 |
585 |
163.3 190.6 201.8 |
250 |
80 88 85 |
5 | 3800 | |
| 800S-22A |
3960 4830 5500 |
1100.0 1341.7 1527.8 |
19 17 15 |
730 |
246.8 254.0 261.1 |
315 |
83 88 86 |
7 | 3800 |
|
2800 3870 4500 |
777.8 1075.0 1250.0 |
12.5 11 9.5 |
585 |
119.1 133.2 138.5 |
185 |
80 87 84 |
5 | 3800 | |
| 800S-32 |
4320 5500 6480 |
1200.0 1527.8 1800.0 |
35 32 29 |
730 |
502.0 538.3 588.0 |
630 |
82 89 87 |
7 | 4900 |
|
3000 4400 5200 |
833.3 12222 1444.4 |
23 20 17 |
585 |
234.8 272.2 283.1 |
315 |
80 88 85 |
4.5 | 4900 | |
| 800S-32A |
3500 4950 6000 |
972.2 1375.0 1666.7 |
29.5 26 23 |
730 |
351.3 398.1 436.8 |
500 |
80 88 86 |
7 | 4900 |
|
2700 3960 4680 |
750.0 1100.0 1300.0 |
19 16.5 14 |
585 |
174.6 204.4 212.3 |
250 |
80 87 84 |
4.5 | 4900 | |
| 800S-47 |
4320 5500 6480 |
1200.0 1527.8 1800.0 |
51 47 42 |
730 |
722.6 781.9 841.9 |
1000 |
83 90 88 |
6.5 | 5000 |
|
3000 4400 5200 |
833.3 1222.2 1444.4 |
35 30 26 |
585 |
357.3 403.7 428.0 |
500 |
80 89 86 |
4 | 5000 | |
| 800-47a |
3500 5070 6000 |
972.2 1408.3 1666.7 |
45 40 36 |
730 |
529.3 620.3 683.7 |
710 |
81 89 86 |
6.5 | 5000 |
|
2800 4060 4800 |
777.8 1127.8 1333.3 |
30 25 22 |
585 |
285.8 314.0 334.3 |
355 |
80 88 86 |
4 | 5000 | |
| Nasos turi | Iste'mol Q. |
Bosh (m) |
Tezlik (d/daq) |
Quvvat (KVt) | Samaradorlik % |
(NPSH) r (m) |
Og'irligi (kg) |
||
| (m³/soat) | (L/s) | Milning kuchi | Dvigatel | ||||||
| 800S-70 |
6100 8100 9300 |
1694.4 2250.0 2583.3 |
90 83 75 |
730 |
1868.1 2153.1 2260.4 |
2500 |
80 85 84 |
9 | 8000 |
| 800S-70A |
5800 7700 8800 |
1611.1 2138.9 2444.4 |
82 75 68.5 |
730 |
1628.5 1871.5 2001.2 |
2240 |
79.5 84 82 |
9 | 8000 |
| 800S-70B |
5500 7300 8400 |
1527.8 2027.8 2333.3 |
73.5 68 62 |
730 |
1393.0 1628.1 1772.2 |
1800 |
79 83 80 |
9 | 8000 |
| 800S-76 |
4000 5500 6500 |
1111.1 1527.8 1805.6 |
80 76 71 |
730 |
1102.7 1293.1 1444.0 |
1600 |
79 88 87 |
6 | 7550 |
|
3000 4400 5500 |
833.3 1222.2 1527.8 |
54 49 43 |
585 |
551.3 674.6 757.4 |
800 |
80 87 85 |
4 | 7550 | |
| 800S-76A |
3500 5080 6000 |
972.2 1411.1 1666.7 |
69 65 61 |
730 |
832.2 1033.2 1186.1 |
1250 |
79 87 84 |
6 | 7550 |
|
2800 4070 5000 |
777.8 1130.6 1388.9 |
46.5 42 37 |
585 |
448.6 541.1 606.8 |
630 |
79 86 83 |
4 | 7550 | |
| 800S-76B |
3000 4680 5500 |
833.3 1300.0 1527.8 |
59 55 51 |
730 |
642.4 824.4 920.0 |
1000 |
75 85 83 |
6 | 7550 |
|
2500 3750 4500 |
694.4 1041.7 1250.0 |
39 35 31 |
585 |
349.2 425.3 468.8 |
500 |
76 84 81 |
4 | 7550 | |
| 800S-105 |
3850 5500 6600 |
1069.4 1527.8 1833.3 |
110 105 100 |
730 |
1441.1 1807.0 2089.1 |
2500 |
80 87 86 |
6.5 | 8000 |
| 900S-23 |
6200 8280 9432 |
1722.2 2300.0 2620.0 |
28 23 19.5 |
730 |
590.7 602.8 610.6 |
710 |
80 86 82 |
9.3 | 6000 |
| 1000S-36 |
7920 9900 11380 |
2200.0 2750.0 3161.1 |
40 36 33 |
495 |
1039.0 1102.5 1202.7 |
1250 |
83 88 85 |
7.8 | 13000 |
| 1200S-24 |
8400 12000 14400 |
2333.3 3333.3 4000.0 |
28 24 18.5 |
590 |
748.8 901.1 906.5 |
1250 |
85.5 87 80 |
7.7 | 9000 |
| 1200S-39 |
7200 9000 10800 |
2000.0 2500.0 3000.0 |
42.5 39 33 |
500 |
1015.9 1085.8 1155.0 |
1250 |
82 88 84 |
5.5 | - |
| 1200-39a |
6480 8100 9720 |
1800.0 2250.0 2700.0 |
38.5 35 29.5 |
500 |
848.9 892.2 940.4 |
1120 |
80 86.5 83 |
5.5 | - |
| 1200-39B |
5832 7290 8748 |
1620.0 2025.0 2430.0 |
34 31 26 |
500 |
674.7 715.3 755.1 |
900 |
80 86 82 |
5.5 | - |
| 1200S-56 |
8640 10800 12960 |
2400.0 3000.0 3600.0 |
60 56 49 |
600 |
1721.0 1870.9 2033.8 |
2240 |
82 88 85 |
7.5 | - |
| 1200S-56A |
7776 9720 11664 |
2160.0 2700.0 3240.0 |
54 50 42 |
600 |
1411.2 1520.7 1606.7 |
2000 |
81 87 83 |
7.5 | - |
| 1200S-56B |
7000 8750 10500 |
1944.4 2430.6 2916.7 |
48 44 3/27 |
600 |
1143.3 1218.7 1289.7 |
1600 |
80 86 82 |
7.5 | - |
| 1200S-76 |
8640 10800 12960 |
2400.0 3000.0 3600.0 |
81.5 76 65 |
730 |
2216.0 2482.7 2620.8 |
2800 |
86.5 90 87.5 |
9 | 13000 |
| 1200S-76A |
7776 9720 11664 |
2160.0 2700.0 3240.0 |
6a 0+ 55 |
730 |
1703.5 1924.4 2054.5 |
2240 |
84.5 88 85 |
9 | 13000 |
| 1200S-76B |
7000 8750 10500 |
1944.4 2430.6 2916.7 |
55 52 45 |
730 |
1270.4 1440.2 1531.3 |
1600 |
82.5 86 84 |
9 | 13000 |
| Turi | Nasos shaklining o'lchamlari | Kirish gardishining o'lchamlari | Chiqish gardishining o'lchamlari | |||||||||||||||||||||||||
| L | L1 | L2 | L3 | L4 | B | B1 | B2 | B3 | B3 ' | B4 | B4 ' | H | H1 | H2 | H3 | H4 | 4-f | Dg1 | Do1 | D1 | B1 | n-phd1 | DG2 | Do2 | D2 | B2 | n-phd2 | |
| 150S-100 | 740.5 | 410 | 330 | 280 | 190 | 550 | 250 | 330 | 280 | — | 190 | — | 490 | 285 | 25 | 140 | 170 | 4-F18 | 150 | 240 | 285 | 26 | 8-F23 | 100 | 180 | 220 | 24 | 8-F19 |
| 150S-78 | 713.5 | 397 | 330 | 280 | 190 | 550 | 250 | 330 | 280 | — | 190 | — | 472.5 | 285 | 25 | 140 | 155 | 4-F18 | 150 | 240 | 285 | 26 | 8-F23 | 100 | 180 | 220 | 24 | 8-F19 |
| 150S-78A | ||||||||||||||||||||||||||||
| 150S-50 | 713.5 | 397 | 330 | 280 | 190 | 550 | 250 | 330 | 280 | — | 190 | — | 455 | 285 | 25 | 140 | 140 | 4-F18 | 150 | 240 | 285 | 26 | 8-F23 | 100 | 180 | 220 | 24 | 8-F19 |
| 150S-50A | ||||||||||||||||||||||||||||
| 150S-50B | ||||||||||||||||||||||||||||
| 200S-95 | 850.5 | 475 | 330 | 280 | 190 | 680 | 330 | 330 | 280 | — | 190 | — | 555 | 355 | 25 | 170 | 170 | 4-F18 | 200 | 295 | 340 | 24 | 8-F23 | 125 | 210 | 250 | 22 | 8-F19 |
| 200S-95A | ||||||||||||||||||||||||||||
| 200S-95B | ||||||||||||||||||||||||||||
| 200S-63 | 743.5 | 409 | 330 | 280 | 190 | 620 | 300 | 330 | 280 | — | 190 | — | 547 | 355 | 25 | 170 | 170 | 4-F18 | 200 | 295 | 340 | 24 | 8-F23 | 150 | 240 | 285 | 24 | 8-F23 |
| 200S-63A | ||||||||||||||||||||||||||||
| 200S-42 | 743.5 | 409 | 330 | 280 | 190 | 620 | 300 | 330 | 280 | — | 190 | — | 547 | 355 | 25 | 170 | 170 | 4-F18 | 200 | 295 | 340 | 24 | 8-F23 | 150 | 240 | 285 | 24 | 8-F23 |
| 200S-42A | ||||||||||||||||||||||||||||
| 250S-65 | 1100.5 | 612 | 510 | 450 | 330 | 880 | 400 | 620 | 550 | — | 430 | — | 856 | 510 | 40 | 240 | 300 | 4-F27 | 250 | 350 | 395 | 28 | 12-F23 | 150 | 240 | 285 | 26 | 8-F23 |
| 250s-65A | ||||||||||||||||||||||||||||
| 250S-39 | 983.5 | 549 | 410 | 350 | 230 | 890 | 440 | 510 | 450 | — | 330 | — | 750 | 450 | 30 | 200 | 260 | 4-F27 | 250 | 350 | 395 | 28 | 12-F23 | 200 | 295 | 340 | 26 | 8-F23 |
| 250s-39a | ||||||||||||||||||||||||||||
| 250S-24 | 983.5 | 517 | 410 | 350 | 230 | 850 | 400 | 510 | 450 | — | 330 | — | 738 | 4450 | 30 | 210 | 215 | 4-F27 | 250 | 350 | 395 | 28 | 12-F23 | 200 | 295 | 340 | 26 | 8-F23 |
| 250S-24A | ||||||||||||||||||||||||||||
| 250S-14 | 892.5 | 485 | 410 | 350 | 230 | 745 | 330 | 510 | 450 | — | 330 | — | 709 | 450 | 30 | 210 | 215 | 4-F27 | 250 | 350 | 395 | 28 | 12-F23 | 200 | 295 | 340 | 26 | 8-F23 |
| 250S-14A | ||||||||||||||||||||||||||||
| Turi | Nasos shaklining o'lchamlari | Kirish gardishining o'lchamlari | Chiqish gardishining o'lchamlari | |||||||||||||||||||||||||
| L | L1 | L2 | L3 | L4 | B | B1 | B2 | B3 | B3 ' | B4 | B4 ' | H | H1 | H2 | H4 | 4-f | Dg1 | Do1 | D1 | B1 | n-phd1 | DG2 | Do2 | D2 | B2 | n-phd2 | ||
| 300S-90 | 1185 | 660 | 510 | 450 | 330 | 1046 | 470 | 620 | 550 | — | 420 | — | 898 | 510 | 40 | 268 | 325 | 4-F27 | 300 | 400 | 440 | 28 | 12-F23 | 200 | 295 | 340 | 26 | 8-F23 |
| 300S-90A | ||||||||||||||||||||||||||||
| 300S-90B | ||||||||||||||||||||||||||||
| 300S-58 | 1140 | 630 | 510 | 450 | 330 | 1070 | 530 | 620 | 550 | — | 430 | — | 852 | 510 | 40 | 240 | 310 | 4-F27 | 300 | 400 | 445 | 28 | 12-F23 | 250 | 350 | 395 | 28 | 12-F23 |
| 300S-58A | ||||||||||||||||||||||||||||
| 300S-58B | ||||||||||||||||||||||||||||
| 300S-32 | 1100 | 605 | 510 | 450 | 330 | 880 | 410 | 620 | 550 | — | 430 | — | 824 | 510 | 40 | 260 | 270 | 4-F27 | 300 | 400 | 445 | 28 | 12-F23 | 250 | 350 | 395 | 28 | 12-F23 |
| 300S-32A | ||||||||||||||||||||||||||||
| 300S-19 | 978.5 | 537 | 510 | 450 | 330 | 900 | 400 | 620 | 550 | — | 430 | — | 808 | 510 | 40 | 250 | 260 | 4-F27 | 300 | 400 | 445 | 28 | 12-F23 | 250 | 350 | 395 | 28 | 12-F23 |
| 300S-19A | ||||||||||||||||||||||||||||
| 300S-12 | 1009 | 552 | 510 | 450 | 330 | 1000 | 500 | 620 | 550 | — | 430 | — | 808 | 510 | 40 | 265 | 265 | 4-F27 | 300 | 400 | 445 | 28 | 12-F23 | 300 | 400 | 445 | 28 | 12-F23 |
| 300S-12A | ||||||||||||||||||||||||||||
| 350S-125 | 1431 | 801 | 580 | 500 | 360 | 1210 | 550 | 680 | 600 | — | 450 | — | 1080 | 620 | 50 | 330 | 410 | 4-F34 | 350 | 460 | 505 | 30 | 16-F23 | 200 | 295 | 340 | 26 | 12-F23 |
| 350S-125A | ||||||||||||||||||||||||||||
| 350S-125B | ||||||||||||||||||||||||||||
| 350S-75 | 1272 | 710 | 600 | 500 | 360 | 1250 | 600 | 690 | 600 | — | 450 | — | 1017 | 620 | 50 | 274 | 356 | 4-F34 | 350 | 460 | 505 | 30 | 16-F23 | 250 | 350 | 395 | 28 | 12-F23 |
| 350s-75a | ||||||||||||||||||||||||||||
| 350s-75B | ||||||||||||||||||||||||||||
| 350S-44 | 1233 | 675 | 580 | 500 | 360 | 1040 | 460 | 680 | 600 | — | 450 | — | 980 | 620 | 50 | 290 | 300 | 4-F34 | 350 | 460 | 505 | 30 | 16-F23 | 300 | 400 | 445 | 28 | 12-F23 |
| 350S-44A | ||||||||||||||||||||||||||||
| 350S-26 | 1171 | 642 | 580 | 500 | 360 | 1040 | 460 | 680 | 600 | — | 450 | — | 963 | 620 | 50 | 290 | 300 | 4-F34 | 350 | 460 | 505 | 30 | 16-F23 | 300 | 400 | 445 | 28 | 12-F23 |
| 350s-26A | ||||||||||||||||||||||||||||
| 350S-16 | 1129 | 622 | 580 | 500 | 360 | 1168 | 584 | 680 | 600 | — | 450 | — | 970 | 620 | 50 | 310 | 310 | 4-F34 | 350 | 460 | 505 | 30 | 16-F23 | 350 | 460 | 505 | 30 | 16-F23 |
| 350S-16A | ||||||||||||||||||||||||||||
| Turi | Nasos shaklining o'lchamlari | Kirish gardishining o'lchamlari | Chiqish gardishining o'lchamlari | |||||||||||||||||||||||||
| L | L1 | L2 | L3 | L4 | B | B1 | B2 | B3 | B3 ' | B4 | B4 ' | H | H1 | H2 | H3 | H4 | 4-f | Dg1 | Do1 | D1 | B1 | n-phd1 | DG2 | Do2 | D2 | B2 | n-phd2 | |
| 400S-90 | 1747 | 907 | 820 | 700 | 480 | 1645 | 900 | 900 | 700 | — | 500 | — | 1130 | 670 | 40 | 372 | 482 | 4-F35 | 400 | 515 | 565 | 32 | 16-F28 | 350 | 460 | 505 | 30 | 16-F23 |
| 400S-90A | ||||||||||||||||||||||||||||
| 400S-90B | ||||||||||||||||||||||||||||
| 400S-40 | 1747 | 907 | 820 | 700 | 480 | 1645 | 900 | 900 | 700 | — | 500 | — | 1130 | 670 | 40 | 372 | 482 | 4-F35 | 400 | 515 | 565 | 32 | 16-F28 | 350 | 460 | 505 | 30 | 16-F23 |
| 400S-40A | ||||||||||||||||||||||||||||
| 500S-98 | 1639.5 | 912 | 760 | 580 | 420 | 1550 | 750 | 1020 | 800 | — | 580 | — | 1381 | 800 | 55 | 425 | 545 | 4-F41 | 500 | 620 | 670 | 34 | 20-F28 | 300 | 410 | 460 | 32 | 12-F28 |
| 500S-98A | ||||||||||||||||||||||||||||
| 500S-98B | ||||||||||||||||||||||||||||
| 500S-59 | 1639.5 | 907 | 760 | 580 | 420 | 1640 | 810 | 1020 | 800 | — | 580 | — | 1300 | 800 | 55 | 370 | 480 | 4-F41 | 500 | 620 | 670 | 34 | 20-F28 | 350 | 460 | 505 | 30 | 16-F23 |
| 500S-59A | ||||||||||||||||||||||||||||
| 500S-59B | ||||||||||||||||||||||||||||
| 500S-35 | 1363.5 | 756 | 760 | 580 | 420 | 1350 | 630 | 1020 | 800 | — | 580 | — | 1270 | 800 | 55 | 415 | 415 | 4-F41 | 500 | 620 | 670 | 34 | 20-F28 | 350 | 460 | 505 | 30 | 16-F23 |
| 500S-35A | ||||||||||||||||||||||||||||
| 500S-22 | 1396.5 | 770 | 760 | 580 | 420 | 1460 | 640 | 1020 | 800 | — | 580 | — | 1266 | 800 | 55 | 410 | 410 | 4-F41 | 500 | 620 | 670 | 34 | 20-F28 | 400 | 515 | 565 | 32 | 16-F28 |
| 500S-22A | ||||||||||||||||||||||||||||
| 500S-13 | 1308.5 | 714.5 | 760 | 580 | 420 | 1550 | 775 | 1020 | 800 | — | 580 | — | 1251 | 800 | 55 | 410 | 410 | 4-F41 | 500 | 620 | 670 | 34 | 20-F28 | 500 | 620 | 670 | 34 | 20-F28 |
| 600S-100 | 1935 | 1100 | 960 | 760 | 560 | 1900 | 900 | 1300 | 1000 | — | 700 | — | 1610 | 950 | 55 | 530 | 590 | 4-F42 | 600 | 725 | 780 | 36 | 20-F31 | 400 | 525 | 580 | 38 | 16-F31 |
| 600S-100A | ||||||||||||||||||||||||||||
| 600S-100B | ||||||||||||||||||||||||||||
| 600S-75 | 1694.5 | 940 | 940 | 760 | 600 | 1900 | 940 | 1020 | 800 | — | 580 | — | 1550 | 950 | 55 | 425 | 555 | 4-F41 | 600 | 725 | 780 | 36 | 20-F31 | 400 | 515 | 565 | 32 | 16-F28 |
| 600S-75A | ||||||||||||||||||||||||||||
| 600S-47 | 1694.5 | 940 | 940 | 760 | 600 | 1595 | 745 | 1020 | 800 | — | 580 | — | 1505 | 950 | 55 | 490 | 490 | 4-F41 | 600 | 725 | 780 | 36 | 20-F31 | 400 | 515 | 565 | 32 | 16-F28 |
| Turi | Nasos shaklining o'lchamlari | Kirish gardishining o'lchamlari | Chiqish gardishining o'lchamlari | |||||||||||||||||||||||||
| L | L1 | L2 | L3 | L4 | B | B1 | B2 | B3 | B3 ' | B4 | B4 ' | H | H1 | H2 | H3 | H4 | 4-f | Dg1 | Do1 | D1 | B1 | n-phd1 | DG2 | Do2 | D2 | B2 | n-phd2 | |
| 600S-32 | 1627.5 | 900 | 940 | 760 | 600 | 1600 | 750 | 1020 | 800 | — | 580 | — | 1490 | 950 | 55 | 480 | 480 | 4-F41 | 600 | 725 | 780 | 36 | 20-F31 | 500 | 620 | 670 | 34 | 20-F28 |
| 600S-32A | ||||||||||||||||||||||||||||
| 600S-32B | ||||||||||||||||||||||||||||
| 600S-22 | 1466.5 | 805 | 940 | 760 | 600 | 1790 | 840 | 1020 | 800 | — | 580 | — | 1476 | 950 | 55 | 460 | 460 | 4-F41 | 600 | 725 | 780 | 36 | 20-F31 | 500 | 620 | 670 | 34 | 20-F28 |
| 600S-22A | ||||||||||||||||||||||||||||
| 800S-105 | 2435 | 1367.5 | 1300 | 1000 | 700 | 2400 | 1100 | 1700 | 1350 | — | 1000 | — | 2190 | 1250 | 55 | 700 | 800 | 4-F58 | 800 | 950 | 1015 | 44 | 24-F33 | 600 | 770 | 840 | 48 | 20-F37 |
| 800S-76 | 2271 | 1270 | 1300 | 1000 | 700 | 2350 | 1150 | 1700 | 1350 | — | 1000 | — | 2105 | 1250 | 55 | 700 | 745 | 4-F58 | 800 | 950 | 1015 | 44 | 24-F33 | 600 | 725 | 780 | 36 | 20-F30 |
| 800S-70 | 2550 | 1445 | 1300 | 1000 | 700 | 2385 | 1100 | 1700 | 1350 | — | 1000 | — | 2200 | 1250 | 55 | 700 | 880 | 4-F58 | 800 | 950 | 1015 | 44 | 24-F34 | 600 | 725 | 780 | 36 | 20-F31 |
| 800S-47 | 2315 | 1300 | 1200 | 1000 | 800 | 2025 | 875 | 1200 | 900 | 600 | 2074 | 1200 | 55 | 660 | 660 | 4-F42 | 800 | 950 | 1015 | 44 | 24-F33 | 600 | 725 | 780 | 36 | 20-F30 | ||
| 800S-32 | 3750 | 2050 | 1200 | 1000 | 800 | 2150 | 1000 | 1200 | 900 | — | 600 | — | 2044 | 1200 | 55 | 660 | 660 | 4-F42 | 800 | 950 | 1015 | 44 | 24-F33 | 600 | 725 | 780 | 36 | 20-F30 |
| 800S-22 | 2100 | 1244 | 1200 | 1000 | 800 | 2150 | 1000 | 1200 | 900 | — | 600 | — | 2014 | 1200 | 55 | 660 | 660 | 4-F42 | 800 | 950 | 1015 | 44 | 24-F33 | 600 | 725 | 780 | 36 | 20-F30 |
| 900S-23 | 2730 | 1350 | 1200 | 1000 | 700 | 2400 | 840 | 1200 | 900 | — | 600 | — | 2400 | 1400 | 60 | 840 | 760 | 4-F42 | 900 | 1050 | 1115 | 44 | 28-F34 | 700 | 840 | 895 | 40 | 24-F31 |
| 1000S-36 | 3550 | 2000 | 1550 | 1400 | 1000 | 2900 | 1360 | 1900 | 1200 | — | 900 | — | 2750 | 1600 | 70 | 860 | 760 | 4-F42 | 1000 | 1160 | 1230 | 50 | 28-F37 | 800 | 950 | 1015 | 44 | 24-F34 |
| Turi | Nasos shaklining o'lchamlari | Kirish gardishining o'lchamlari | Chiqish gardishining o'lchamlari | ||||||||||||||||||||||||||||
| L | L1 | L2 | L3 | L4 | B | B1 | B2 | B2 ' | B3 | B3 ' | B4 | B4 ' | B5 | B5' | H | H1 | H2 | H3 | H4 | 4-f | Dg1 | Do1 | D1 | B1 | n-phd1 | DG2 | Do2 | D2 | B2 | n-phd2 | |
| 1200S-24 | 2480 | 1370 | 1450 | 1200 | 950 | 3000 | 1400 | 1000 | 1000 | 700 | 700 | 600 | 600 | 200 | 200 | 2700 | 1700 | 60 | 850 | 975 | 8-F42 | 1200 | 1380 | 1455 | 56 | 32-F40 | 1000 | 1160 | 1230 | 50 | 28-F37 |
| 1200S-39 | 3295 | 1700 | 1680 | 1250 | 900 | 2800 | 1250 | 1100 | 1100 | 875 | 875 | 790 | 790 | 150 | 150 | 2700 | 1650 | 80 | 870 | 1020 | 8-F48 | 1200 | 1380 | 1455 | 56 | 32-F40 | 1000 | 1160 | 1230 | 50 | 28-F37 |
| 1200-39a | |||||||||||||||||||||||||||||||
| 1200-39B | |||||||||||||||||||||||||||||||
| 1200S-56 | 3295 | 1700 | 1680 | 1250 | 900 | 2800 | 1250 | 1100 | 1100 | 875 | 875 | 790 | 790 | 150 | 150 | 2700 | 1650 | 80 | 870 | 1020 | 8-F48 | 1200 | 1380 | 1455 | 56 | 32-F40 | 1000 | 1160 | 1230 | 50 | 28-F37 |
| 1200S-56A | |||||||||||||||||||||||||||||||
| 1200S-56B | |||||||||||||||||||||||||||||||
| 1200S-76 | 2840 | 1500 | 1750 | 1500 | 1250 | 2800 | 1250 | 1100 | 900 | 850 | 650 | 750 | 550 | 150 | 150 | 2700 | 1650 | 80 | 870 | 950 | 8-F48 | 1200 | 1380 | 1455 | 56 | 32-F40 | 1000 | 1160 | 1230 | 50 | 28-F37 |
| 1200S-76A | |||||||||||||||||||||||||||||||
| 1200S-76B | |||||||||||||||||||||||||||||||
| Turi | C | Dvigatel | Dvigatel hajmi | Poydevor hajmi |
E | H1 | L | t | Glorik quvur gardish | |||||||||||||
| Dvigatel turi | Quvvat (KVt) |
Kuchlanishi (V) |
L1 | h | H | L2 | L3 | L4 | P | B | n1-phd1 | D2 | Do2 | DG2 | B2 | n2-phd2 | ||||||
| 150S-100 | 4 | Y280S-2 | 75 | 380 | 1000 | 640 | 280 | 550 | 550 | 1375 | 75 | 457 | 6-F20 | 300 | 425 | 1723 | 350 | 150 | 280 | 240 | 24 | 8-F23 |
| 150S-78 | 4 | Y250M-2 | 55 | 380 | 930 | 575 | 250 | 520 | 520 | 1294 | 75 | 406 | 6-F20 | 300 | 425 | 1640 | 350 | 150 | 280 | 240 | 24 | 8-F23 |
| 150S-78A | 4 | Y225M-2 | 45 | 380 | 815 | 530 | 225 | 480 | 480 | 1195 | 356 | 1525 | ||||||||||
| 150S-50 | 4 | Y200L2-2 | 37 | 380 | 775 | 475 | 200 | 470 | 470 | 1170 | 100 | 380 | 6-F20 | 300 | 425 | 1484 | 350 | 150 | 280 | 240 | 24 | 8-F23 |
| 150S-50A | 4 | Y200L1-2 | 30 | 380 | 775 | 475 | 200 | 470 | 470 | 1170 | 1484 | |||||||||||
| 150S-50B | 4 | Y180M-2 | 22 | 380 | 670 | 430 | 180 | 450 | 450 | 1095 | 1379 | |||||||||||
| 200S-63 | 4 | Y280S-2 | 75 | 380 | 1000 | 640 | 280 | 570 | 570 | 1372 | 75 | 457 | 6-F20 | 350 | 495 | 1750 | 350 | 200 | 335 | 295 | 26 | 8-F23 |
| 200S-63A | 4 | Y250M-2 | 55 | 380 | 930 | 575 | 250 | 550 | 550 | 1308 | 406 | 1680 | ||||||||||
| 200S-42 | 4 | Y225M-2 | 45 | 380 | 815 | 530 | 225 | 460 | 460 | 1212 | 75 | 400 | 6-F20 | 350 | 495 | 1564 | 350 | 200 | 335 | 295 | 26 | 8-F23 |
| 200S-42A | 4 | Y200L2-2 | 37 | 380 | 775 | 475 | 200 | 480 | 480 | 1184 | 280 | 1524 | ||||||||||
| 250S-39 | 4 | Y280S-4 | 75 | 380 | 1000 | 640 | 280 | 620 | 620 | 1565 | 65 | 450 | 6-F25 | 300 | 610 | 1931 | 450 | 250 | 390 | 350 | 28 | 12-F23 |
| 250s-39a | 4 | Y250M-4 | 55 | 380 | 930 | 575 | 250 | 550 | 550 | 1417 | 560 | 6-F20 | 590 | 1861 | 350 | |||||||
| 250S-24 | 4 | Y225M-4 | 45 | 380 | 845 | 530 | 225 | 520 | 520 | 1400 | 120 | 450 | 6-F20 | 300 | 590 | 1784 | 350 | 250 | 390 | 350 | 28 | 12-F23 |
| 250S-24A | 4 | Y225S-4 | 37 | 380 | 820 | 530 | 225 | 550 | 550 | 1375 | 1759 | |||||||||||
| 250S-14 | 4 | Y200L-4 | 30 | 380 | 775 | 475 | 200 | 520 | 520 | 1306 | 120 | 450 | 6-F20 | 300 | 590 | 1654 | 350 | 250 | 390 | 350 | 28 | 12-F23 |
| 250S-14A | 4 | Y180M-4 | 18.5 | 380 | 670 | 430 | 180 | 520 | 520 | 1234 | 1549 | |||||||||||
| 300S-32 | 4 | Y280M-4 | 90 | 380 | 1050 | 640 | 280 | 740 | 740 | 1710 | 150 | 560 | 6-F20 | 300 | 690 | 2150 | 350 | 300 | 440 | 400 | 28 | 12-F23 |
| 300S-32A | 4 | Y280S-4 | 75 | 380 | 1000 | 640 | 280 | 740 | 740 | 1660 | 2100 | |||||||||||
| 300S-19 | 4 | Y250M-4 | 55 | 380 | 930 | 575 | 250 | 600 | 600 | 1525 | 165 | 550 | 6-F20 | 300 | 670 | 1922 | 350 | 300 | 440 | 400 | 28 | 12-F23 |
| 300S-19A | 4 | Y225M-4 | 45 | 380 | 845 | 530 | 225 | 590 | 590 | 1460 | 1837 | |||||||||||
| 300S-12 | 4 | Y225S-4 | 37 | 380 | 820 | 530 | 225 | 600 | 600 | 1450 | 165 | 550 | 6-F20 | 670 | 1827 | 350 |
|
|||||
| 300S-12A | 4 | Y200L-4 | 30 | 380 | 775 | 475 | 200 | 580 | 580 | 1415 | 1782 | |||||||||||
| Turi | C | Dvigatel | Dvigatel hajmi | E | L | L2 | Glorik quvur gardish | |||||||||||
| Dvigatel turi | Quvvat (KVt) |
Kuchlanishi (V) |
L1 | H | h | B | A | n-phd1 | DG2 | D2 | Do2 | B2 | n-phd2 | |||||
| 150S-100 | 4 | Y280S-2 | 75 | 380 | 1000 | 280 | 640 | 368 | 457 | 4-F24 | 300 | 150 | 280 | 240 | 24 | 8-F23 | ||
| 150S-78 | Y250M-2 | 55 | 380 | 930 | 250 | 575 | 349 | 406 | 4-F24 | 1647.5 | 569 | |||||||
| 150S-78A | Y225M-2 | 45 | 815 | 225 | 530 | 311 | 356 | 4-F19 | 1532.5 | 520 | ||||||||
| 150S-50 | 4 | Y200L2-2 | 37 | 380 | 775 | 200 | 475 | 305 | 318 | 4-F19 | 300 | 1492.5 | 504 | |||||
| 150S-50A | Y200L1-2 | 30 | 775 | 200 | 475 | 305 | 318 | 4-F19 | 1492.5 | 504 | ||||||||
| 150S-50B | Y180M-2 | 22 | 670 | 180 | 430 | 241 | 279 | 4-F15 | 1387.5 | 492 | ||||||||
| 200S-95 | 4 | Y315m-2 | 132 | 380 | 1310 | 315 | 865 | 457 | 508 | 4-F28 | 375 | 2164.5 | 695 | 200 | 335 | 295 | 26 | 8-F23 |
| 200S-95A | Y315S-2 | 110 | 1240 | 315 | 865 | 406 | 508 | 4-F28 | 2094.5 | 695 | ||||||||
| 200S-95B | Y280S-2 | 75 | 1000 | 280 | 640 | 368 | 457 | 4-F24 | 1854.5 | 669 | ||||||||
| 200S-63 | 4 | Y280S-2 | 75 | 380 | 1000 | 280 | 640 | 368 | 457 | 4-F24 | 350 | 1747.5 | 603 | 200 | 335 | 295 | 26 | 8-F23 |
| 200S-63A | Y250M-2 | 55 | 930 | 250 | 575 | 349 | 406 | 4-F24 | 1677.5 | 581 | ||||||||
| 200S-42 | 4 | Y225M-2 | 45 | 380 | 815 | 225 | 530 | 311 | 356 | 4-F19 | 350 | 1562.5 | 532 | 200 | 335 | 295 | 26 | 8-F23 |
| 200S-42A | Y200L2-2 | 37 | 775 | 200 | 475 | 305 | 318 | 4-F19 | 1522.5 | 516 | ||||||||
| 250S-65 | 4 | Y315m-4 | 132 | 380 | 1340 | 315 | 865 | 457 | 508 | 4-F28 | 500 | 2444.5 | 777 | 250 | 390 | 350 | 28 | 12-F23 |
| 250s-65A | Y280M-4 | 90 | 1050 | 280 | 640 | 419 | 457 | 4-F24 | 2154.5 | 721 | ||||||||
| 250S-3g | 4 | Y280S-4 | 75 | 380 | 1000 | 280 | 640 | 368 | 457 | 4-F24 | 300 | 1987.5 | 711 | 250 | 390 | 350 | 28 | 12-F23 |
| 250s-39a | Y250M-4 | 55 | 930 | 250 | 575 | 349 | 406 | 4-F24 | 1917.5 | 689 | ||||||||
| 250S-24 | 4 | Y225M-4 | 45 | 380 | 845 | 225 | 530 | 311 | 356 | 4-F19 | 300 | 1787.5 | 635 | 250 | 390 | 350 | 28 | 12-F23 |
| 250S-24A | Y225S-4 | 37 | 820 | 225 | 530 | 286 | 356 | 4-F19 | 1762.5 | |||||||||
| 250S-14 | 4 | Y200L-4 | 30 | 380 | 775 | 200 | 475 | 305 | 318 | 4-F19 | 1671.5 | 557 | ||||||
| 250S-14A | Y180M-4 | 18.5 | 670 | 180 | 430 | 241 | 279 | 4-F15 | 1566.5 | 545 | ||||||||
| 300S-90 | 5 | Y3554-4 | 315 | 6000 | 1820 | 355 | 780 | 900 | 630 | 4-F28 | 500 | 2998.5 | 949 | 300 | 440 | 400 | 28 | 12-F23 |
| Turi | C | Dvigatel | Dvigatel hajmi |
E | L | L2 | Glorik quvur gardish | |||||||||||
| Dvigatel turi | Quvvat (KVt) |
Kuchlanishi (V) |
L1 | H | h | B | A | n-phd1 | DG2 | D₂ | Do2 | B2 | n-phd2 | |||||
| 300S-90A | 5 | Y3553-4 | 280 | 6000 | 1820 | 355 | 780 | 900 | 630 | 4-F28 | 500 | 2998.5 | 949 | 300 | 440 | 400 | 28 | 12-F23 |
| 300S-90B | Y3551-4 | 220 | 1820 | 355 | 780 | 900 | 630 | 4-F28 | 2998.5 | |||||||||
| 300S-58 | 4 | Y315l2-4 | 200 | 380 | 1340 | 315 | 865 | 508 | 508 | 4-F28 | 300 | 2483.5 | 795 | 300 | 440 | 400 | 28 | 12-F23 |
| 300S-58A | Y315l1-4 | 160 | 1340 | 315 | 865 | 508 | 508 | 4-F28 | 2483.5 | |||||||||
| 300S-58B | Y315m-4 | 132 | 1340 | 315 | 865 | 457 | 508 | 4-F28 | 2483.5 | |||||||||
| 300S-32 | 4 | Y280M-4 | 90 | 380 | 1050 | 280 | 640 | 419 | 457 | 4-F24 | 300 | 2153.5 | 714 | 300 | 440 | 400 | 28 | 12-F23 |
| 300S-32A | Y280S-4 | 75 | 1000 | 280 | 640 | 368 | 457 | 4-F24 | 2103.5 | |||||||||
| 300S-19 | 4 | Y250M-4 | 55 | 380 | 930 | 250 | 575 | 349 | 406 | 4-F24 | 300 | 1912.5 | 624 | 300 | 440 | 400 | 28 | 12-F23 |
| 300S-19A | Y225M-4 | 45 | 845 | 225 | 530 | 311 | 356 | 4-F19 | 1827.5 | 605 | ||||||||
| 300S-12 | 4 | Y225S-4 | 37 | 380 | 820 | 225 | 530 | 286 | 356 | 4-F19 | _ | 1832.5 | 620 | _ | _ | _ | _ | _ |
| 300S-12A | Y200L-4 | 30 | 775 | 200 | 475 | 305 | 318 | 4-F19 | 1787.5 | 574 | ||||||||
| 350S-125 | 7 | Y4502-4 | 710 | 6000 | 2080 | 450 | 935 | 1120 | 800 | 4-F35 | 750 | 3517.5 | 1123 | 350 | 520 | 470 | 38 | 16-F25 |
| 350S-125A | Y4501-4 | 630 | 2080 | 450 | 935 | 1120 | 800 | 4-F35 | 3517.5 | 1123 | ||||||||
| 350S-125B | Y4004-4 | 500 | 1940 | 400 | 835 | 1000 | 710 | 4-F35 | 3377.5 | 1103 | ||||||||
| 350S-75 | 5 | Y4001-4 | 355 |
6000 6000 6000 |
1940 | 400 | 835 | 1000 | 710 | 4-F35 | 500 | 3191.5 | 980 | 350 | 500 | 460 | 30 | 16-F23 |
| 350s-75a | Y3553-4 | 280 | 1820 | 355 | 780 | 900 | 630 | 4-F28 | 3071.5 | 960 | ||||||||
| 350s-75B | Y3551-4 | 220 | 1820 | 355 | 780 | 900 | 630 | 4-F28 | 3071.5 | 960 | ||||||||
| 350S-44 | 5 | Y3551-4 | 220 | 6000 | 1820 | 355 | 780 | 900 | 630 | 4-F28 | 300 | 3057.5 | 955 | 350 | 500 | 460 | 30 | 16-F23 |
| 350S-44A | Y315l1-4 | 160 | 380 | 1340 | 315 | 865 | 508 | 508 | 4-F28 | 2577.5 | 856 | |||||||
| 350S-26 | 4 | Y315m-4 | 132 | 380 | 1340 | 315 | 865 | 457 | 508 | 4-F28 | 300 | 2514.5 | 726 | 350 | 500 | 460 | 30 | 16-F23 |
| 350s-26A | Y280M-4 | 90 | 380 | 1050 | 280 | 640 | 419 | 457 | 4-F24 | 2224.5 | 706 | |||||||
| Turi | C | Dvigatel | Dvigatel hajmi | E | L | L2 | Glorik quvur gardish | |||||||||||
| Dvigatel turi | Quvvat (KVt) |
Kuchlanishi (V) |
L1 | H | h | B | A | n-phd1 | DG2 | D2 | Do2 | B2 | n-phd2 | |||||
| 350S-16 | 4 | Y280S-4 | 75 | 380 | 1000 | 280 | 640 | 368 | 457 | 4-F24 | _ | 2132.5 | 684 | _ | _ | _ | _ | _ |
| 350S-16A | Y250s-4 | 55 | 380 | 930 | 250 | 575 | 349 | 406 | 4-F24 | 2062.5 | 1169 | |||||||
| 500S-98 | 7 | Y5002-6 | 800 | 6000 | 2550 | 500 | 1040 | 1250 | 900 | 4-F42 | 1000 | 4196.5 | 1354 | 500 | 670 | 620 | 34 | 20-F25 |
| 500S-98A | Y4504-6 | 630 | 6000 | 2120 | 450 | 935 | 1120 | 800 | 4-F35 | 3766.5 | 1234 | |||||||
| 500S-98B | Y4503-6 | 560 | 6000 | 2120 | 450 | 935 | 1120 | 800 | 4-F35 | 3766.5 | 1234 | |||||||
| 500S-59 | 7 | Y4501-6 | 450 | 6000 | 2120 | 450 | 935 | 1120 | 800 | 4-F35 | 800 | 3766.5 | 1229 | 500 | 670 | 620 | 34 | 20-F25 |
| 500S-59A | Y4005-6 | 400 | 6000 | 1940 | 400 | 835 | 1000 | 710 | 4-F35 | 3586.5 | 1169 | |||||||
| 500S-59B | Y4003-6 | 315 | 6000 | 1940 | 400 | 835 | 1000 | 710 | 4-F35 | 3586.5 | 1169 | |||||||
| 500S-35 | 6 | Y4002-6 | 280 | 6000 | 1940 | 400 | 835 | 1000 | 710 | 4-F35 | 800 | 3309.5 | 1017 | 500 | 670 | 620 | 34 | 20-F25 |
| 500S-35A | Y3553-6 | 220 | 6000 | 1820 | 355 | 780 | 900 | 630 | 4-F28 | 3189.5 | 997 | |||||||
| 500S-22 | 6 | Y3553-6 | 220 | 6000 | 1820 | 355 | 780 | 900 | 630 | 4-F28 | 600 | 3221.5 | 1010 | 500 | 670 | 620 | 34 | 20-F25 |
| 500S-22A | Y315l2-6 | 132 | 380 | 1340 | 315 | 865 | 508 | 508 | 4-F28 | 2741.5 | 871 | |||||||
| 500S-13 | 5 | Y315l1-6 | 110 | 380 | 1340 | 315 | 860 | 508 | 508 | 4-F28 | _ | 2653.5 | 815.5 | _ | _ | _ | _ | _ |
| 600S-75 | 7 | Y5003-6 | 900 | 6000 | 2550 | 500 | 1040 | 1250 | 900 | 4-F42 | 600 | 4251.5 | 1292 | 500 | 670 | 620 | 34 | 20-F25 |
| 600S-75A | Y5002-6 | 800 | 6000 | 2550 | 500 | 1040 | 1250 | 900 | 4-F42 | 4251.5 | 1292 | |||||||
| 600S-47 | 7 | Y4503-6 | 560 | 6000 | 2120 | 450 | 935 | 1120 | 800 | 4-F35 | 600 | 3821.5 | 1172 | 500 | 670 | 620 | 34 | 20-F25 |
| 600S-32 | 6 | Y4005-6 | 400 | 6000 | 1940 | 400 | 835 | 1000 | 710 | 4-F35 | _ | 3573.5 | 1053 | _ | _ | _ | _ | _ |
| 600S-32A | Y4002-6 | 280 | 6000 | 1940 | 400 | 835 | 1000 | 710 | 4-F35 | 3555.5 | 1053 | |||||||
| 600S-32B | 6 | Y3554-6 | 250 | 6000 | 1820 | 355 | 780 | 900 | 630 | 4-F32 | _ | 3435.5 | 1013 | _ | _ | _ | _ | _ |
| 600S-22 | Y3554-6 | 250 | 6000 | 1820 | 355 | 780 | 900 | 630 | 4-F32 | 3292.5 | 956 | |||||||
| 600S-22A | Y3553-6 | 220 | 6000 | 1820 | 355 | 780 | 900 | 630 | 4-F28 | 3292.5 | 956 | |||||||
| Turi | C | Dvigatel | Dvigatel hajmi | E | L | L2 | Glorik quvur gardish | |||||||||||
| Dvigatel turi | Quvvat (KVt) |
Kuchlanishi (V) |
L1 | H | h | B | A | n-phd1 | DG2 | D2 | Do2 | B2 | n-phd2 | |||||
| 800S-22 | 6 | Y450-8 | 450 | 380 | 2080 | 450 | 1650 | 1120 | 800 | 4-F35 | 800 | 4190 | 1191 | 800 | 1015 | 950 | 42 | 24-F33 |
| Y450-10 | 250 | 2080 | 450 | 1650 | 1120 | 800 | 4-F35 | 4190 | 1191 | |||||||||
| 800S-22A | Y450-8 | 315 | 2080 | 450 | 1650 | 1120 | 800 | 4-F35 | 4190 | 1191 | ||||||||
| Y355l-10 | 185 | 1590 | 355 | 990 | 630 | 610 | 4-F28 | 3700 | 1050 | |||||||||
| Y450-10 | 200 | 2080 | 450 | 1650 | 1120 | 800 | 4-F35 | 4190 | 1191 | |||||||||
| 800S-32 | 7 | Y500-8 | 630 | 6000 | 2220 | 500 | 1900 | 1250 | 900 | 4-F42 | 4530 | 1457 | ||||||
| Y450-10 | 315 | 2080 | 450 | 1650 | 1120 | 800 | 4-F35 | 4390 | 1337 | |||||||||
| 800S-32A | Y450-8 | 450 | 2080 | 450 | 1650 | 1120 | 800 | 4-F35 | 4390 | 1337 | ||||||||
| Y450-10 | 250 | 2080 | 450 | 1650 | 1120 | 800 | 4-F35 | 4390 | 1337 | |||||||||
| 800S-47 | 8 | Y1000-8/1180 | 1000 | 2480 | 930 | 1690 | 1800 | 1400 | 4-F48 | 4990 | 1368 | |||||||
| Y500-10 | 450 | 2220 | 500 | 1900 | 1250 | 900 | 4-F42 | 4730 | 1593 | |||||||||
| 800-47a | Y500-8 | 710 | 2220 | 500 | 1900 | 1250 | 900 | 4-F42 | 4730 | 1593 | ||||||||
| Y450-10 | 355 | 2080 | 450 | 1650 | 1120 | 800 | 4-F35 | 4590 | 1473 | |||||||||
| 800S-76 | Y1600-8/1430 | 1600 | 2690 | 950 | 1860 | 1900 | 1750 | 4-F48 | 1000 | 4970 | 1423 | |||||||
| Y800-10/1180 | 800 | 2380 | 930 | 1690 | 1700 | 1400 | 4-F48 | 4660 | 1343 | |||||||||
| 800S-76A | Y1250-8/1430 | 1250 | 2540 | 930 | 1860 | 1800 | 1750 | 4-F48 | 4820 | 1373 | ||||||||
| Y500-10 | 630 | 2220 | 500 | 1900 | 1250 | 900 | 4-F42 | 4500 | 1568 | |||||||||
| 800S-76B | Y1000-8/1180 | 1000 | 2480 | 930 | 1690 | 1800 | 1400 | 4-F48 | 4760 | 1343 | ||||||||
| Y500-10 | 500 | 2220 | 500 | 1900 | 1250 | 900 | 4-F42 | 4500 | 1568 | |||||||||
| Turi | Dvigatel | Oyoq valfi P=0,25MPa |
Suv filtri (Kod) |
Aktuator P = 1MPA |
Tekshirish valfi P = 1MPA |
Komik qusish quvur (kod) |
Fond (Kod) |
B4201 | |
| Turi | Quvvat (KVt) |
Kanca kaliti | |||||||
| (Kod) | |||||||||
| 150S-100 | Y280S-2 | 75 | PH150 | — | PH150 | PH150 | Z100×10-150×10 | 150S100-Y280S-2 | 4552 |
| 150S-78 | Y250M-2 | 55 | PH150 | — | PH150 | PH150 | Z100×10-150×10 | 150S78-Y250M-2 | 4552 |
| 150S-78A | Y225M-2 | 45 | 150S78-Y225M-2 | ||||||
| 150S-50 | Y200L2-2 | 37 | PH150 | — | PH150 | PH150 | Z100×10-150×10 | 150S50-Y200L-2 | 4552 |
| 150S-50A | Y200L1-2 | 30 | |||||||
| 150S-50B | Y180M-2 | 22 | 150S50-Y180M-2 | ||||||
| 200S-95 | Y315m-2 | 132 | PH200 | — | PH200 | PH200 | Z125×10-200×10 | 200S95-y315m-2 | 6872 |
| 200S-95A | Y315S-2 | 110 | 200S95-Y315S-2 | ||||||
| 200S-95B | Y280S-2 | 75 | 200S95-Y280S-2 | ||||||
| 200S-63 | Y280S-2 | 75 | PH200 | — | PH200 | PH200 | Z150×10-200×10 | 200S63-Y280S-2 | 4552 |
| 200S-63A | Y250M-2 | 55 | 200S63-Y250M-2 | ||||||
| 200S-42 | Y225M-2 | 45 | PH200 | — | PH200 | PH200 | Z150×10-200×10 | 200S42-y225m-2 | 4552 |
| 200S-42A | Y200L2-2 | 37 | 200S42-Y200L-2 | ||||||
| 250S-65 | Y315m-4 | 132 | PH250 | — | PH 250 | PH250 | Z150×10-250×10 | 250s65-y315m-4 | 7885 |
| 250s-65A | Y280M-4 | 90 | 250S65-Y280M-4 | ||||||
| 250S-39 | Y280S-4 | 75 | PH250 | PH250 | PH250 | Z200×10-250×10 | 250s39-y280s-4 | 6872 | |
| 250s-39a | Y250M-4 | 55 | PH250 | — | PH250 | PH250 | Z200×10-250×10 | D250S-39a-y250m-4 | 6872 |
| 250S-24 | Y225M-4 | 45 | PH250 | — | PH250 | PH250 | Z200×10-250×10 | 250s24-y225m-4 | 6872 |
| 250S-24A | Y225S-4 | 37 | 250s24-y225s-4 | ||||||
| 250S-14 | Y200L-4 | 30 | PH250 | — | PH250 | — | Z200×10-250×10 | 250S14-Y200L-4 | 4552 |
| 250S-14A | Y180M-4 | 18.5 | 250S14-Y180M-4 | ||||||
| 300S-90 | Y355l-4 | 315 | PH300 | — | PH300 | PH300 | Z200×10-300×10 | 300S90-Y355L(M) | 9095 |
| 300S-90A | Y355l-4 | 280 | |||||||
| 300S-90B | Y355m-4 | 220 | |||||||
| 300S-58 | Y315l2-4 | 200 | PH300 | — | PH300 | PH300 | Z250×10-300×10 | 300S58-Y315L-4 | 7885 |
| 300S-58A | Y315l1-4 | 160 | |||||||
| 300S-58B | Y315m-4 | 132 | 300S58-Y315M-4 | ||||||
Eslatma: barrel konusi va kanca kaliti nasos aksessuarlaridir, boshqalari buyurtma talablariga muvofiq ta'minlanishi mumkin.
| Turi | Dvigatel | Oyoq valfi P=0,25MPa |
Suv filtri (Kod) |
Aktuator P = 1MPA |
Tekshirish valfi P = 1MPA |
Komik qusish quvur (kod) |
Fond (Kod) |
B4201 | |
| Turi | Quvvat (KVt) |
Kanca kaliti | |||||||
| (Kod) | |||||||||
| 300S-32 | Y280M-4 | 90 | PH300 | — | PH300 | PH300 | Z250×10-300×10 | 300S32-Y280M-4 | 7885 |
| 300S-32A | Y280S-4 | 75 | 300S32-Y280S-4 | ||||||
| 300S-19 | Y250M-4 | 55 | PH300 | — | PH300 | PH300 | Z250×10-300×10 | 300S19-Y250M-4 | 6872 |
| 300S-19A | Y225M-4 | 45 | 300S19-Y225M-4 | ||||||
| 300S-12 | Y225S-4 | 37 | PH300 | — | PH300 | — | — | 300S12-Y225S-4 | 6872 |
| 300S-12A | Y200L-4 | 30 | 300S12-Y200L-4 | ||||||
| 350S-125 | Y4502-4 | 710 | — | L350 (73) |
PH350 | PH350 | Z200×16-350×16 | — | 100110 |
| 350S-125A | Y4501-4 | 630 | |||||||
| 350S-125B | Y4004-4 | 500 | |||||||
| 350S-75 | Y4001-4 | 365 | — | L350 (73) |
PH350 | PH350 | Z250×10-350×10 | — | 9095 |
| 350s-75a | Y355l-4 | 280 | 350S75-Y355(M)L-4 | ||||||
| 350s-75B | Y355m-4 | 220 | |||||||
| 350S-44 | Y355m-4 | 220 | — | L350 (73) |
PH350 | PH350 | Z300×10-350×10 | 350S44-Y355M(L)-4 | 9095 |
| 350S-44A | Y315l1-4 | 160 | 350S44-Y315L-4 | ||||||
| 350S-26 | Y315m-4 | 132 | L350 (73) |
PH350 | PH350 | Z300×10-350×10 | 350s26-y315m-4 | 7885 | |
| 350s-26A | Y280M-4 | 90 | 350s26-y280m-4 | ||||||
| 350S-16 | Y280S-4 | 75 | — | L350 (73) |
PH500 | — | — | 350S16-Y280S-4 | 6872 |
| 350S-16A | Y250M-4 | 55 | 350S16-Y250M-4 | ||||||
| 500S-98 | Y5002-6 | 800 | — | L500 (73) |
PH500 | PH500 | — | — | 135145 |
| 500S-98A | Y5001-6 | 710 | |||||||
| 500S-98B | Y4503-6 | 560 | |||||||
| 500S-59 | Y4501-6 | 450 | — | L500 (73) |
PH500 | PH500 | Z350×10-500×10 | — |
100110 115130 |
| 500S-59A | Y4005-6 | 400 | |||||||
| 500S-59B | Y4003-6 | 315 | |||||||
| 500S-35 | Y4002-6 | 280 | — | L500 (73) |
PH500 | PH500 | Z350×10-500×10 | — | 9095 |
| 500S-35A | Y3553-6 | 220 | |||||||
| 500S-22 | Y3553-6 | 220 | — | L500 (73) |
PH500 | PH500 | — | — | 7885 |
| 500S-22A | Y315l2-6 | 132 | 500S22-Y315L-6 | ||||||
Eslatma: barrel konusi va kanca kaliti nasos aksessuarlaridir, boshqalari buyurtma talablariga muvofiq ta'minlanishi mumkin.
| Turi | Dvigatel | Oyoq valfi P=0,25MPa |
Suv filtri (Kod) |
Aktuator P = 1MPA |
Tekshirish valfi P = 1MPA |
Komik qusish quvur (kod) |
Fond (Kod) |
B4201 | |
| Turi | Quvvat (KVt) |
Kanca kaliti | |||||||
| (Kod) | |||||||||
| 500S-13 | Y355l1-6 | 110 | — | L500 (73) | PH500 | PH500 | — | — | 7885 |
| 600S-75 | Y5003-6 | 900 | — | L600 (73) |
PH500 | PH500 | Z400×10-500×10 | — | 135145 |
| 600S-75A | Y5002-6 | 800 | |||||||
| 600S-47 | Y4503-6 | 560 | — | L600(73) | PH500 | PH500 | Z400×10-500×10 | — | 135145 |
| 600S-32 | Y4005-6 | 400 | — | L600 (73) |
PH500 | PH500 | — | — |
100110 115130 |
| 600S-32A | Y4002-6 | 280 | |||||||
| 600S-32B | Y3554-6 | 250 | |||||||
| 600S-22 | Y3554-6 | 250 | — | L600 (73) |
PH500 | PH500 | — | — | 9095 |
| 600S-22A | Y3553-6 | 220 | |||||||
| 800S-22 | Y450-8 | 450 | — | L800 | PH600 | PH600 | — | — | 9095 |
| Y450-10 | 250 | ||||||||
| 800S-22A | Y450-8 | 315 | |||||||
| Y355l-10 | 185 | ||||||||
| Y450-10 | 200 | ||||||||
| 800S-32 | Y500-8 | 630 | — | L800 | PH600 | PH600 | — | — | 100110 |
| Y450-10 | 315 | ||||||||
| 800S-32A | Y450-8 | 450 | |||||||
| Y500-10 | 250 | ||||||||
| 800S-47 | Y1000-8/1180 | 1000 | — | L800 | PH600 | PH600 | — | — | 135145 |
| Y500-10 | 450 | ||||||||
| 800-47a | Y500-8 | 710 | |||||||
| Y450-10 | 355 | ||||||||
| 800S-76 | Y1600-8/1430 | 1600 | — | L800 | PH800 | PH800 | — | — | 135145 |
| Y800-10/1180 | 800 | ||||||||
| 800S-76A | Y1250-8/1430 | 1250 | |||||||
| Y500-10 | 630 | ||||||||
| 800S-76B | Y1000-8/1180 | 1000 | |||||||
| Y500-10 | 500 | ||||||||
Eslatma: barrel konusi va kanca kaliti nasos aksessuarlaridir, boshqalari buyurtma talablariga muvofiq ta'minlanishi mumkin.