WPP3 Vanna nasosi
  • WPP3 Vanna nasosi WPP3 Vanna nasosi

WPP3 Vanna nasosi

ZEN Machinery yuqori sifatli WPP3 Vanna nasoslari nasos ishlab chiqarilgan materiallarga kimyoviy jihatdan agressiv bo'lmagan abraziv zarralar va suyuqliklarsiz toza suvni quyish uchun tavsiya etiladi. Ushbu seriyali nasos uzluksiz ishlashi mumkin. Bu kichik suzish havzalari, mariculture uchun aylanma filtrlar, vannalar suvni qayta ishlash va kurort uskunalarida suvni qayta ishlash uchun javob beradi va hokazo. D. Uni ishlatish va saqlash oson.

So'rov yuborish

Mahsulot tavsifi

WPP3 Vanna nasosi

(vanna pompasi)

(WPP seriyasi)


Xususiyatlari

● Himoya kiritish: 2-tur

● Avtomatik drenaj

● Kam tebranishlar

● Anodli oksidlanish elektr motorining uyi

● Sundantli operatsiyalar

● ortiqcha yukdan himoya qilish

● pnevmatik kalitlar (ixtiyoriy)

● f darajasi

● suyuqlik harorati ≤ 50 ° C

● Mec71


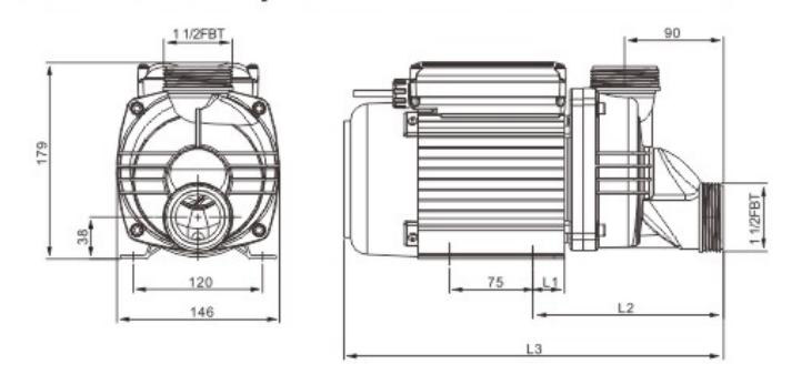
Shakl va o'rnatish hajmi

Model WPP370A/WPP550A/WPP750A/WPP900A/WPP1100A/WPP1500A WPP1800A
L1(mm) 28.5 37.5
L2(mm) 172 181
L3(mm) 341 359


Hosildorlik egri chizig'i


Texnik parametrlar jadvali

Model Quvvat Stress / chastota
V/Hz
Maks. Oqim Maks O'rnatish hajmi G.V Paket hajmi Yuklash miqdori
(Miqdor/20')
L/min Oddiy mm kg mm
WPP370A 370 Vt/0,5 HP 110-120V/60Hz 200 5 48,5/50 5.5

360x160x20

5 (1 dona)

375x355x220

(2 dona)

2455
WPP550A 550 Vt/0,75 ot kuchi 270 7 6
WPP750A 750 Vt/1,0 ot kuchi 360 10 6.5
WPP900A 900 Vt/1,2 ot kuchi 380 11.5 6.8
WPP1100A 1100 Vt/1,5 ot kuchi 420 12 7
WPP1500A 1500 Vt/2,0 ot kuchi 450 13.5 7.5
WPP1800A 1800 Vt/2,5 ot kuchi 500 16.5 8





Hot Tags: WPP3 Vanna nasosi, Xitoy, ishlab chiqaruvchi, yetkazib beruvchi, zavod, moslashtirilgan, sifat, so'nggi sotuvlar, stokda, brendlar, Idoralar, Taizhou
X
Biz cookie-fayllardan sizga yaxshiroq ko'rish tajribasini taklif qilish, sayt trafigini tahlil qilish va kontentni shaxsiylashtirish uchun foydalanamiz. Ushbu saytdan foydalanish orqali siz bizning cookie-fayllardan foydalanishimizga rozilik bildirasiz. Maxfiylik siyosati
Rad etish Qabul qiling