WQD - C 2P silliqlash mashinasi quyma temir kanalizatsiya nasoslari vorteks pervaneli asosiy suv osti kanalizatsiya nasoslari. Modellarning keng assortimenti mavjud bo'lib, ular relsli ulanish tizimlari bilan birgalikda osongina o'rnatilishi yoki moslashuvchan shlang yoki gardish ulanishlari bilan mustaqil ravishda ishlatilishi mumkin. Zo'r ishonchlilik va chidamlilikka ega bo'lgan nasos ish paytida to'liq suvga botirilishi kerak. U uzoq vaqt davomida uzluksiz ishlashi mumkin. Shunday qilib, ular nasos stantsiyalari va oqava suvlarni tozalash inshootlarida uskunalarning barqaror ishlashiga hissa qo'shadi, shuningdek, texnik xizmat ko'rsatish xarajatlarini sezilarli darajada kamaytirishga yordam beradi. Ushbu nasoslar ko'plab oqava suvlarni tozalash inshootlarida, nasos stantsiyalarida, suv toshqinlarini nazorat qilish inshootlarida va suv parklarida faol qo'llaniladi. Qisqasi, WQ seriyasi bizning ko'p yillik tajribamiz va tajribamizni aks ettiradi va shuning uchun turli sohalarda va ilovalarda qo'llanilishi mumkin.
|
Epoksi qatronli kabel asosi Epoksi qatronli simi yadrosi namlikning yadro orqali dvigatelga kirishiga to'sqinlik qilishi mumkin. |
|
Avtomatik kesish motorini himoya qilish Avtomatik termal himoyani o'chirish Dvigatel g'ayritabiiy va haddan tashqari quvvat ostida ishlayotgan bo'lsa, elektron to'sar faollashadi va quvvatni avtomatik ravishda o'chiradi. |
|
Chiroyli nozik quyma temir 3 kVt dan 3 ta og'ir rulmanlardan foydalanish. |
|
Mexanik muhr Ikkita mexanik muhr optimal muhrlanish effektini ta'minlash uchun ikkita silikon karbiddan iborat. |
kesish rishtasi bilan kesish mashinasi pervanesi
1. Dizayn huquqiga ega bo'lgan blokirovka qilinmaydigan konstruktiv pervanellar.
2 Pervanel va pichoq halqasi uchun materiallar: 420 yuqori xromli zanglamaydigan po'lat, qattiqlik HRC 49 - 52, yaxshi aşınma qarshilikka ega.
Katta oqim nuqtalaridan foydalanganda an'anaviy oqava suv nasoslari yuqori quvvat talab qiladi. Dvigatel qiziydi va yonib ketadi.
Zshín WQ (D) - C nasosi har bir nuqtada oqimdan foydalanishi mumkin. Quvvat deyarli bir xil. Dvigatel harorati deyarli bir xil.
|
|
Loyihalar |
Tavsif |
|
Foydalanish bo'yicha cheklovlar |
Suyuqlik harorati |
0~40℃(32~104°F) |
|
Ilova |
Turar-joy binolaridan oqava suvlar. |
|
|
Turi |
Chastotasi |
50Hz |
|
Dvigatel |
2P(2900rpm) quruq H shaklidagi aviatsiya |
|
|
Izolyatsiya |
Ben B (variantda F toifasi) |
|
|
Himoya |
IP68 |
|
|
Himoyachi |
Bir fazali termal himoya o'chirgichi (uch fazali nol) |
|
|
Aloqa |
Sfera |
|
|
M. Zel |
Ikki M. muhrlari |
|
|
G'ildirak |
Vorteks |
Ishlash egri chizig'i (O,75kVt - 1,5kVt)
Xarakteristikalar jadvali (O,75kVt - 1,5kVt)
|
Model |
boshqariladigan H shaklidagi aviatsiya P2 (kw) |
Q(m³/soat) |
0 |
4 |
8 |
12 |
16 |
20 |
22 |
28 |
30 |
|
|
Kv |
Hp |
Q(L/min) |
0 |
67 |
133 |
200 |
267 |
333 |
367 |
467 |
500 |
|
|
50WQ(D) -C10-10-0,75 |
0.8 |
1 |
H(m) |
15 |
14 |
12 |
10 |
8 |
3 |
|
|
|
|
50WQ(D) -C12-10-1.1 |
1.1 |
1.5 |
17 |
15 |
14 |
12 |
10 |
6.5 |
5 |
|
|
|
|
50WQ(D) -C15-15-1,5 |
1.5 |
2 |
23 |
21 |
19 |
17 |
15 |
13 |
12 |
7 |
6 |
|
|
65WQ(D) -C25-10-1,5 |
1.5 |
2 |
23 |
21 |
19 |
17 |
15 |
13 |
12 |
7 |
6 |
|
Ishlash egri chizig'i (2,2kVt - 3kVt)
|
Model |
boshqariladigan H shaklidagi aviatsiya P2 (kw) |
Q(m³/soat) |
0 |
0 |
20 |
30 |
38 |
47 |
60 |
70 |
80 |
90 |
|
|
Kv |
Hp |
Q(L/min) |
0 |
67 |
333 |
500 |
633 |
783 |
1000 |
1167 |
1333 |
1500 |
|
|
50WQ(D) -C9-22-2.2 |
2.2 |
3 |
H(m) |
22 |
20 |
18 |
14 |
10 |
|
|
|
|
|
|
65WQ(D)-C25-15-22 |
2.2 |
3 |
24 |
20 |
16 |
13 |
10 |
5.5 |
|
|
|
|
|
|
80WQ(D) -C45-9-2.2 |
2.2 |
3 |
25 |
22 |
19 |
15 |
11 |
|
|
|
|
|
|
|
50WQ(D)-C20-22-3 |
3 |
4 |
32 |
27 |
23 |
17 |
13 |
|
|
|
|
|
|
|
50WQ(D)-C35-15-3 |
3 |
4 |
25 |
22 |
19 |
16 |
13 |
|
|
|
|
|
|
|
80WQ(D)-C43-13-3 |
3 |
4 |
23 |
20 |
18 |
15 |
13 |
9 |
3.5 |
|
|
|
|
Xususiyatlar jadvali (4kw-7,5kw)

|
Model |
boshqariladigan H shaklidagi aviatsiya P2 (kw) |
Q(m³/soat) |
0 |
10 |
20 |
30 |
38 |
47 |
60 |
70 |
76 |
90 |
100 |
107 |
120 |
150 |
|
|
Kv |
Hp |
Q(L/min) |
0 |
167 |
333 |
500 |
633 |
783 |
1000 |
1167 |
1267 |
1500 |
1667 |
1783 |
|
|
|
|
65WQ(D)-C25-22-4 |
4 |
5.5 |
H(m) |
28 |
26 |
24 |
22 |
19 |
17 |
14 |
10 |
|
|
|
|
|
|
|
80WQ(D)-C45-17-4 |
4 |
5.5 |
28 |
26 |
23 |
21 |
19 |
17 |
14 |
10 |
8.5 |
|
|
|
|
|
|
|
80WQ(D) -C45-20-5.5 |
5.5 |
7.5 |
31 |
29 |
27 |
26 |
23 |
21 |
18 |
16 |
14 |
10 |
|
|
|
|
|
|
100WQ(D) -C65-15-5.5 |
5.5 |
7.5 |
32 |
29 |
26 |
25 |
22 |
20 |
18 |
15 |
13 |
9 |
|
3 |
|
|
|
|
50WQ(D) -C20-40-7,5 |
7.5 |
10 |
49 |
46 |
44 |
40 |
35 |
29 |
20 |
|
|
|
|
|
|
|
|
|
80WQ(D) -C45-22-7.5 |
7.5 |
10 |
32 |
30 |
28 |
26 |
25 |
23 |
21 |
20 |
18 |
16 |
12 |
|
|
|
|
|
100WQ(D) -C100-15-7,5 |
7.5 |
10 |
34 |
31 |
29 |
28 |
26 |
25 |
23 |
21 |
20 |
17 |
15 |
|
10 |
5 |
|
|
Ekstremal |
Model |
Eksport HP(kVt) |
bit dyuym (mm) |
ph bosqichi |
Keling, boshlaymiz |
Standart |
Qattiq kanal mm(dyuym) Uzukni kesmasdan |
|
|
m-m³/soat |
ft-GPM |
|||||||
|
2P |
50WQ(D) -C10-10-0,75 |
1(0,75) |
2"(50) |
1 |
To'g'ridan-to'g'ri |
10-10 |
32,8-36,7 |
20(0,8) |
|
3 |
||||||||
|
50WQ(D) -C12-10-1.1 |
1,5(1,1) |
2"(50) |
1 |
To'g'ridan-to'g'ri |
10-12 |
22.8-44 |
20(0,8) |
|
|
3 |
||||||||
|
50WQ(D) -C15-15-1,5 |
2(1,5) |
2"(50) |
1 |
To'g'ridan-to'g'ri |
15-15 |
49,2-55 |
20(0,8) |
|
|
3 |
||||||||
|
65WQ(D) -C25-10-1,5 |
2(1,5) |
2,5"(65) |
3 |
To'g'ridan-to'g'ri |
10-25 |
32,8-91,7 |
26(1) |
|
|
50WQ(D) -C9-22-2.2 |
3(2.2) |
2"(50) |
3 |
To'g'ridan-to'g'ri |
22-9 |
72.2-33 |
20(0,8) |
|
|
65WQ(D) -C25-15-2.2 |
3(2.2) |
2,5"(65) |
3 |
To'g'ridan-to'g'ri |
15-25 |
49,2-91,7 |
26(1) |
|
|
80WQ(D) -C45-9-2.2 |
3(2.2) |
3"(80) |
3 |
To'g'ridan-to'g'ri |
9-45 |
29,5-165 |
32(1,25) |
|
|
50WQ(D)-C20-22-3 |
4(3) |
2"(50) |
3 |
To'g'ridan-to'g'ri |
22-20 |
72,9-73,3 |
20(0,8) |
|
|
65WQ(D)-C35-15-3 |
4(3) |
2,5"(65) |
3 |
To'g'ridan-to'g'ri |
15-35 |
49.2-128.3 |
26(1) |
|
|
80WQ(D)-C43-13-3 |
4(3) |
3"(80) |
3 |
To'g'ridan-to'g'ri |
13-43 |
42,7-157,7 |
2( 1,25) |
|
|
65WQ(D)-C25-22-4 |
5,5(4) |
2,5"(65) |
3 |
To'g'ridan-to'g'ri |
22-25 |
72,2-91,7 |
26(1) |
|
|
80WQ(D)-C45-17-4 (Samarali versiya) |
5,5(4) |
3"(80) |
3 |
To'g'ridan-to'g'ri |
17-45 |
55,8-165 |
32(1,25) |
|
|
80WQ(D)-C30-25-4 |
5,5(4) |
3"(80) |
3 |
bevosita |
25-30 |
82-110 |
32(1,25) |
|
|
80WQ(D) -C45-20-5.5 |
7,5(5,5) |
3"(80) |
3 |
bevosita |
20-45 |
65,6-165 |
32(1,25) |
|
|
100WQ( XD) -C65-15-5.5 |
7,5(5,5) |
4"(100) |
3 |
bevosita |
15-65 |
49.2-238.3 |
40(1,5) |
|
|
50WQ(D) -C20-40-7,5 |
10(7,5) |
2"(50) |
3 |
bevosita |
40-20 |
131,2-73,3 |
20(0,8) |
|
|
80WQ(D) -C45-25-7.5 |
10(7,5) |
3"(80) |
3 |
bevosita |
25-45 |
82-165 |
32(1,25) |
|
|
100WQ(D) -C100-15-7,5 |
10(7,5) |
4"(100) |
3 |
bevosita |
15-100 |
49,2-366,7 |
40(1,5) |
|
|
1 |
Qalam |
9 |
Dvigatel korpusi |
|
2 |
Kabel |
10 |
Mexanik bosib chiqarish |
|
3 |
Kondensator |
11 |
Vida |
|
4 |
Qopqoq |
12 |
Tirsak |
|
5 |
Termal himoya |
13 |
Pervane |
|
6 |
Stator |
14 |
Nasos korpusi |
|
7 |
Rotor |
15 |
kesish halqasi |
|
8 |
Chiqish |
16 |
Baza |
|
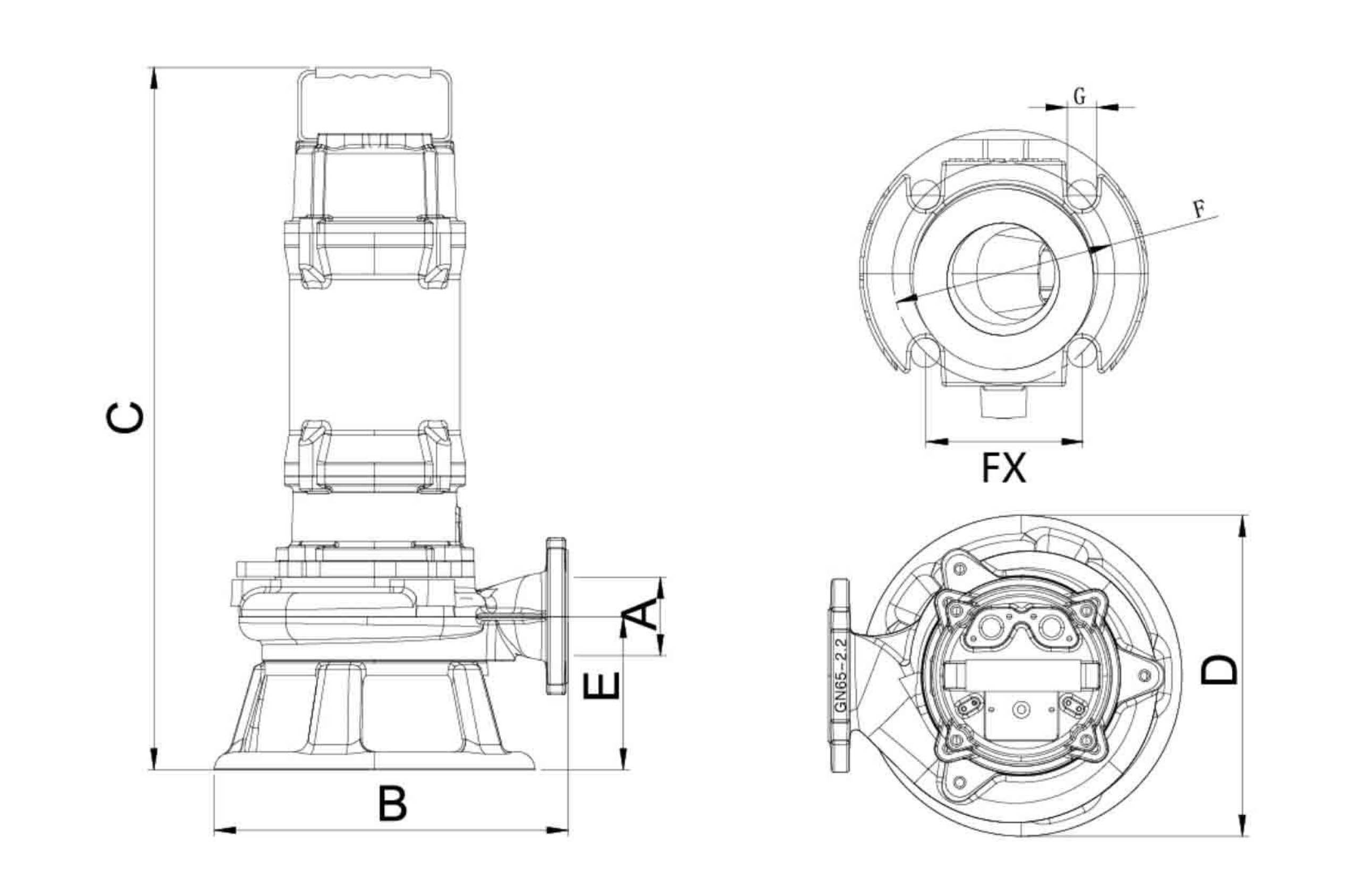
Model |
Ves(kg)(Ib) |
Hajmi (mm) |
||||||
|
1P3F |
A |
B |
C |
D |
E |
F |
G |
|
|
50WQ(D) -C10-10-0,75 |
23,55(51,92) |
40 |
205 |
430 |
175 |
74 |
110 |
15 |
|
50WQ(D) -C12-10-1.1 |
23,7(52,2) |
40 |
205 |
430 |
175 |
74 |
110 |
15 |
|
50WQ(D) -C15-15-1,5 |
37,25(82,1) |
50 |
250 |
568 |
240 |
117 |
110 |
15 |
|
65WQ(D) -C25-10-1,5 |
36,1(79,6) |
50 |
250 |
568 |
240 |
117 |
110 |
15 |
|
50WQ(D) -C-22-2.2 |
40,1(88,4) |
65 |
295 |
585 |
265 |
127 |
130 |
15 |
|
65WQ(D) -C25-15-2.2 |
41,4(91,3) |
65 |
295 |
585 |
265 |
127 |
130 |
15 |
|
80WQ(D) -C45-9-2.2 |
43,4(95,7) |
65 |
295 |
585 |
265 |
127 |
130 |
15 |
|
50WQ(D)-C20-22-3 |
45,8(101) |
50 |
280 |
575 |
240 |
123 |
110 |
15 |
|
65WQ(D)-C35-15-3 |
466(102,7) |
50 |
280 |
575 |
240 |
123 |
110 |
15 |
|
80WQ(D)-C43-13-3 |
47,4(104,5) |
50 |
280 |
575 |
240 |
123 |
110 |
15 |
|
65WQ(D)-C25-22-4 |
52,2(115,1) |
65 |
315 |
590 |
265 |
127 |
130 |
15 |
|
80WQ(D)-C45-17-4 (Samarali versiya) |
52,9(116,6) |
65 |
315 |
590 |
265 |
127 |
130 |
15 |
|
80WQ(D)-C30-25-4 |
53,5(117,9) |
65 |
315 |
590 |
265 |
127 |
130 |
15 |
|
80WQ(D) -C45-20-5.5 |
6215(137) |
80 |
325 |
650 |
268 |
131 |
160 |
18 |
|
100WQ(D) -C65-15-5.5 |
63,6(140,2) |
80 |
325 |
650 |
268 |
131 |
160 |
18 |
|
50WQ(D) -C20-40-7,5 |
70,8(156,1) |
80 |
335 |
660 |
285 |
137 |
160 |
18 |
|
80WQ(D) -C45-25.75 |
72(158,7) |
80 |
335 |
660 |
285 |
137 |
160 |
18 |
|
100WQ(D) -C100-15-7,5 |
73,5(162) |
80 |
335 |
660 |
285 |
137 |
160 |
18 |
50WQ(D)S-CF seriyali tiqilib qolmaydigan zanglamaydigan po'latdan yasalgan kanalizatsiya nasosi
WQV zanglamaydigan po'latdan yasalgan kanalizatsiya nasosi
WQS-G zanglamaydigan po'latdan yasalgan turdagi silliqlash kanalizatsiya nasosi
WQ-C 4P maydalagich quyma temir kanalizatsiya nasosi
AC avtomatik debriyaj
WQ quyma temir kanalizatsiya nasosi