CGW quvurli kanalizatsiya nasosi
  • CGW quvurli kanalizatsiya nasosi CGW quvurli kanalizatsiya nasosi

CGW quvurli kanalizatsiya nasosi

CGW quvurlari kanalizatsiya nasosi uzoq vaqt davomida uzluksiz ishlashi mumkin. Shu bois ular nasos stansiyalari va suv tozalash inshootlaridagi uskunalarning barqaror ishlashiga hissa qo‘shish bilan birga, texnik xizmat ko‘rsatish xarajatlarini sezilarli darajada kamaytirishga xizmat qilmoqda. Ushbu nasoslar ko'plab suv tozalash inshootlarida, nasos stantsiyalarida, suv toshqini nazorati inshootlarida va suv parklarida keng qo'llaniladi.

So'rov yuborish

Mahsulot tavsifi

CGW quvurli kanalizatsiya nasosi

mahsulot assortimenti

80 CGW 2 75
Chiqish hajmi Nasos turi Ustun Quvvat
Chiqish hajmi (mm) Nasos turi qutb (KVt)


diapazon xususiyati

Quvvat 1,5-7,5 kVt quvvatga ega
Elektrod / qutblar 2
Kalibr / tushirish DN50-80
Maks. oqim tezligi / Maksimal oqim tezligi 150 m³/soat
Maksimal bosh 47 m


Ilovalar


Hajmi

Model
Turi
Kalibr
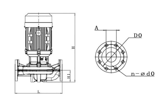
A
(mm)
L
(mm)
H
(mm)
H1
(mm)
D0
(mm)
n-d0
(mm)
50-CGW2-1,5 50 350 523 100 118 8-f18
50-CGW2-2.2 50 350 523 100 118 8-f18
80-CGW2-1,5 80 360 523 100 118 8-f18
80-CGW2-2.2 80 360 523 100 118 8-f18
80-CGW2-3.7 80 360 537 110 160 8-f18
80-CGW2-5,5 80 450 652 110 160 8-f18
80-CGW2-7,5 80 450 652 110 160 8-f18


CGW seriyali kanalizatsiya quvurlari nasoslarining parametrlari

Model
Turi
Kuchlanishi
Voltaj (v)
Quvvat Calibre/0utlet Zarrachalar hajmini o'tkazib yuboring
(mm)
Cheklangan maʼlumotlar
Q.rated
(m³/soat)
Nominal ko'tarish
H.rated
(m)
MAX. OQIM
Q.max
(m³/soat)
Maksimal ko'tarish
H.max
(m)
Og'irligi
G.V
(kg)
Posilka hajmi
(sm)
(KVt) (HP) (dyuym) (mm)
50CGW2-1,5 3Ph/380V 1.5 2 2” 50 20 25 12 34 20 36.2 54*36*28
50CGW2-2.2 3Ph/380V 2.2 3 2” 50 20 25 17 39 24 38.5 54*36*28
80CGW2-3,7 3Ph/380V 3.7 5 3” 80 20 36 20 80 27 55 55*39*26
80CGW2-5,5 3Ph/380V 5.5 7.5 3” 80 20 36 28 74 36 87 67*47*36
80CGW2-7,5 3Ph/380V 7.5 10 3” 80 20 36 34 102 41 90 67*47*36





Hot Tags: CGW quvurli kanalizatsiya nasosi, Xitoy, ishlab chiqaruvchi, yetkazib beruvchi, zavod, moslashtirilgan, sifat, so'nggi sotuvlar, stokda, brendlar, Idoralar, Taizhou
X
Biz cookie-fayllardan sizga yaxshiroq ko'rish tajribasini taklif qilish, sayt trafigini tahlil qilish va kontentni shaxsiylashtirish uchun foydalanamiz. Ushbu saytdan foydalanish orqali siz bizning cookie-fayllardan foydalanishimizga rozilik bildirasiz. Maxfiylik siyosati
Rad etish Qabul qiling