IRG ISW ISWB quvur nasosi vertikal santrifüj nasosdir. Bu abraziv zarralarsiz toza suv va nasos materiallariga kimyoviy korroziy bo'lmagan suyuqliklarni quyish uchun javob beradi. Ushbu seriya sovutish, isitish, sirkulyatsiya va konditsioner tizimlarida suvni etkazib berish va tashish uchun, shuningdek, yong'inga qarshi va sanoat ilovalari uchun ishlatilishi mumkin. Nasoslar bino ichida yoki hech bo'lmaganda ob-havodan himoyalangan joyda o'rnatilishi kerak.
1. Nasos tizimining maksimal bosimi 1,6 MPa, ya'ni nasosning kirishidagi bosim + nasosning bosimi 1,6 MPa. (Buyurtma berishda, iltimos, tizimning ish bosimini ko'rsating, nasos tizimining ish bosimi 1,6 MPa dan ortiq, buyurtma berishda alohida ko'rsatilishi kerak. Ishlab chiqarish vaqtida nasosning oqadigan va birlashtiruvchi qismlari quyma temirdan yasalgan.)
2. Qo'llaniladigan muhit: hajm birligi uchun 0,1% dan ko'p bo'lmagan va zarracha hajmi 0,2 mm dan oshmaydigan qattiq erimaydigan modda (kichik zarrachalar bo'lgan muhit aşınmaya bardoshli mexanik sızdırmazlık bo'lishi kerak, buyurtma berishda ko'rsating).
3. Atrof-muhit harorati 40 ° C dan oshmaydi, nisbiy harorat 95 ° C dan oshmaydi, dengiz sathidan balandligi 1000 m dan oshmaydi.
BU 50 - 160 - 3 ga ortda
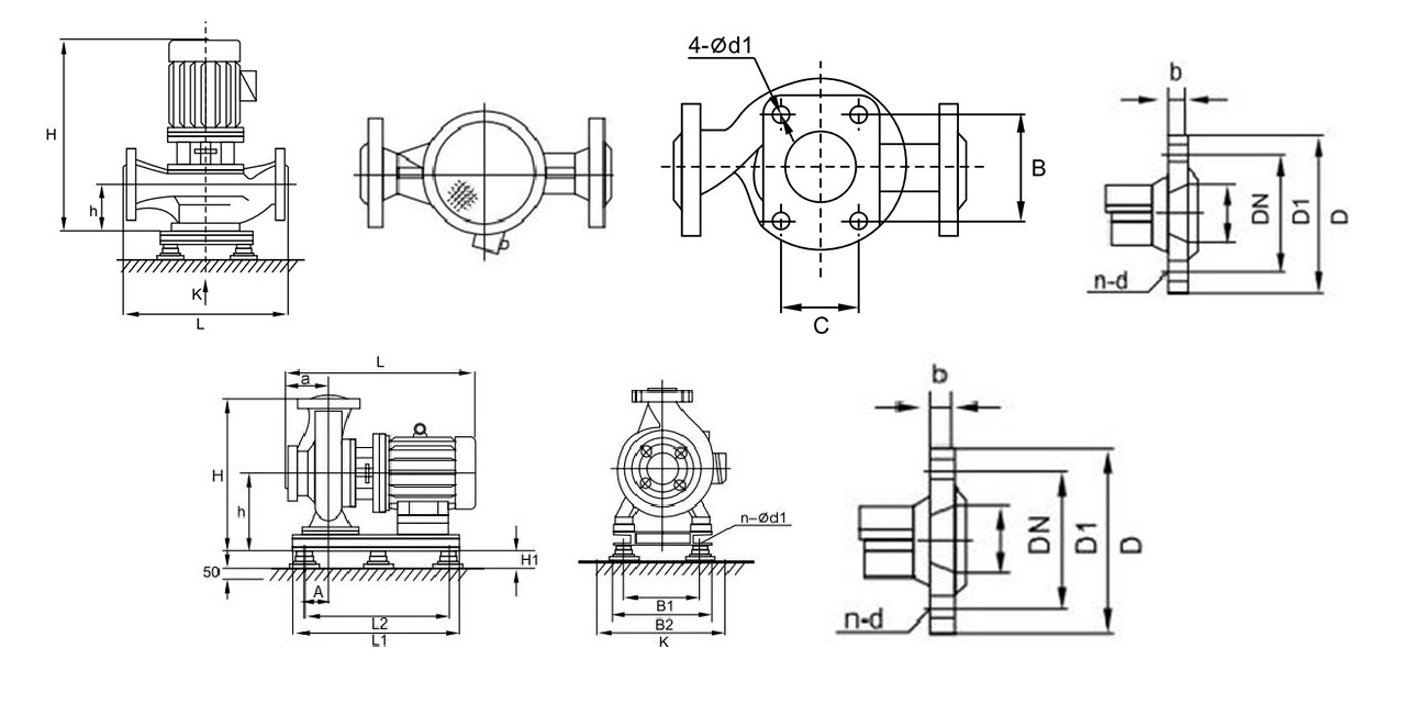
① IRG: vertikal quvur nasosi
② 50: kalibr (mm)
③ 160: Iring diametri (mm)
④ 3: Quvvat (KVt)
| Turi | Q oqimi | harakat m |
Samaradorlik (%) |
Sinxronizatsiya Aylanish tezligi r/min |
Elektr dvigateli Quvvat KVt |
Kavitatsiyani majburiy etkazib berish (m) |
Vertikal yozuvni o'rnatish | Gorizontal nasosning o'lchami | Flanjning o'lchami | Vibratsiyali izolyatsiya | H1 | |||||||||||||
| m³/soat | L/S | H | L | h | B | C | H | h | a | L1 | L | L2 | B1 | D | D1 | n-d | Spetsifikatsiya | |||||||
| 25-125 |
2.8 4 5.2 |
0.78 1.11 1.44 |
20.6 20 18 |
28 36 35 |
2900 | 0.75 | 2.3 | 430 | 275 | 70 | 80 | 50 | 320 | 180 | 90 | 405 | 445 | 210 | 260 | PH115 | PH85 | 4-F16 | SD41-0,5 | 20 |
| 25-125A |
2.5 3.6 4.6 |
0.69 1.0 1.28 |
17 16 14.4 |
27 35 34 |
2900 | 0.75 | 2.3 | 430 | 275 | 70 | 80 | 50 | 320 | 180 | 90 | 405 | 445 | 210 | 260 | PH115 | PH85 | 4-F16 | SD41-0,5 | 20 |
| 25-160 |
2.8 4 5.2 |
0.78 1.11 1.44 |
33 32 30 |
24 32 33 |
2900 | 1.5 | 2.3 | 455 | 320 | 75 | 100 | 60 | 320 | 180 | 90 | 440 | 470 | 250 | 300 | PH115 | PH85 | 4-F16 | SD41-0,5 | 20 |
| 25-160A |
2.6 3.7 4.9 |
0.72 1.03 1.36 |
29 28 26 |
22 31 32 |
2900 | 1.1 | 2.3 | 440 | 320 | 75 | 100 | 60 | 320 | 180 | 90 | 440 | 455 | 250 | 300 | PH115 | PH85 | 4-F16 | SD41-0,5 | 20 |
| 32-125 |
3.5 5 6.5 |
0.97 1.39 1.8 |
22 20 18 |
40 44 42 |
2900 | 0.75 | 2.3 | 445 | 270 | 75 | 100 | 60 | 320 | 180 | 90 | 440 | 455 | 250 | 310 | PH140 | PH100 | 4-F16 | SD41-0,5 | 20 |
| 32-125A |
3.1 4.5 5.8 |
0.86 1.25 1.61 |
17.6 16 14.4 |
38 42 40 |
2900 | 0.75 | 2.3 | 445 | 270 | 75 | 100 | 60 | 320 | 180 | 90 | 440 | 455 | 250 | 310 | PH140 | PH100 | 4-F16 | SD41-0,5 | 20 |
| Turi | Q oqimi | harakat m |
Samaradorlik (%) |
Sinxronizatsiya Aylanish tezligi r/min |
Elektr dvigateli Quvvat KVt |
Kavitatsiyani majburiy etkazib berish (m) |
Vertikal yozuvni o'rnatish | Gorizontal nasosning o'lchami | Flanjning o'lchami | Vibratsiyali izolyatsiya | H1 | |||||||||||||
| m³/soat | L/S | H | L | h | B | C | H | h | a | L1 | L | L2 | B1 | D | D1 | n-d | Spetsifikatsiya | |||||||
| 40-100 |
4.4 6.3 8.3 |
1.22 1.75 2.31 |
13.2 12.5 11.3 |
48 54 53 |
2900 | 0.75 | 2.3 | 410 | 270 | 85 | 120 | 70 | 260 | 145 | 95 | 405 | 460 | 260 | 125 | PH150 | PH110 | 4-F18 | SD41-0,5 | 20 |
| 40-100A |
3.9 5.6 7.4 |
1.08 1.56 2.06 |
10.6 10 9 |
45 52 50 |
2900 | 0.75 | 2.3 | 410 | 270 | 85 | 120 | 70 | 260 | 145 | 95 | 405 | 460 | 260 | 125 | PH150 | PH110 | 4-F18 | SD41-0,5 | 20 |
| 40-125 |
4.4 6.3 8.3 |
1.22 1.75 2.31 |
21 20 18 |
41 46 43 |
2900 | 1.1 | 2.3 | 410 | 285 | 85 | 120 | 70 | 305 | 165 | 80 | 405 | 445 | 210 | 260 | PH150 | PH110 | 4-F18 | SD41-0,5 | 20 |
| 40-125A |
3.9 5.6 7.4 |
1.08 1.56 2.06 |
17.6 16 14.4 |
40 45 41 |
2900 | 0.75 | 2.3 | 410 | 285 | 85 | 120 | 70 | 305 | 165 | 80 | 405 | 445 | 210 | 260 | PH150 | PH110 | 4-F18 | SD41-0,5 | 20 |
| 40-160 |
4.4 6.3 8.3 |
1.22 1.75 2.31 |
33 32 30 |
35 40 40 |
2900 | 2.2 | 2.3 | 445 | 325 | 80 | 120 | 70 | 375 | 210 | 85 | 455 | 489 | 250 | 310 | PH150 | PH110 | 4-F18 | SD41-0,5 | 20 |
| 40-160A |
4.1 5.9 7.8 |
1.44 1.64 2.17 |
29 28 26.3 |
34 39 39 |
2900 | 1.5 | 2.3 | 420 | 325 | 80 | 120 | 70 | 375 | 210 | 85 | 455 | 465 | 250 | 310 | PH150 | PH110 | 4-F18 | SD41-0,5 | 20 |
| 40-160B |
3.8 5.5 7.2 |
1.06 1.53 2.0 |
25.5 24 225 |
34 38 37 |
2900 | 1.1 | 2.3 | 405 | 325 | 80 | 120 | 70 | 370 | 205 | 85 | 455 | 450 | 210 | 260 | PH150 | PH110 | 4-F18 | SD41-0,5 | 20 |
| Turi | Q oqimi | harakat m |
Samaradorlik (%) |
Sinxronizatsiya Aylanish tezligi r/min |
Elektr dvigateli Quvvat KVt |
Majburiy kavitatsiya Qolgan (m) |
Vertikal nasoslarni o'rnatish | Gorizontal nasosning o'lchami | Flanjning o'lchami | Vibratsiyali izolyatsiya | H1 | |||||||||||||||
| m³/soat | L/S | H | L | h | B | C | H | h | a | L1 | L | L2 | B1 | D | D1 | n-d | Spetsifikatsiya | |||||||||
| 40-200 |
4.4 6.3 8.3 |
1.22 1.75 2.31 |
51 50 48 |
26 33 32 |
2900 | 4 | 2.3 | 525 | 345 | 70 | 130 | 80 | 405 | 230 | 85 | 490 | 560 | 300 | 350 | PH150 | PH110 | 4-F18 | SD41-0,5 | 20 | ||
| 40-200A |
4.1 5.9 7.8 |
1.14 1.64 2.17 |
45 44 42 |
26 31 30 |
2900 | 3 | 2.3 | 495 | 345 | 70 | 130 | 80 | 405 | 230 | 85 | 490 | 530 | 300 | 350 | PH150 | PH110 | 4-F18 | SD41-0,5 | 20 | ||
| 40-200b |
3.7 5.3 7.0 |
1.08 1.47 1.94 |
38 36 34.5 |
23 29 24 |
2900 | 2.2 | 2.3 | 470 | 345 | 90 | 130 | 80 | 395 | 220 | 85 | 455 | 505 | 280 | 310 | PH150 | PH110 | 4-F18 | SD41-0,5 | 20 | ||
| 40-250 |
4.4 6.3 8.3 |
1.22 1.75 2.31 |
82 80 75 |
24 28 28 |
2900 | 7.5 | 2.3 | 580 | 405 | 100 | 130 | 80 | 455 | 255 | 80 | 540 | 625 | 340 | 380 | PH150 | PH110 | 4-F18 | SD41-0,5 | 20 | ||
| 40-250A |
4.1 5.9 7.8 |
1.14 1.64 2.17 |
72 70 65 |
24 28 27 |
2900 | 5.5 | 2.3 | 580 | 405 | 100 | 130 | 80 | 455 | 255 | 80 | 540 | 625 | 340 | 380 | PH150 | PH110 | 4-F18 | SD41-0,5 | 20 | ||
| 40-250B |
3.8 5.5 7.0 |
1.06 1.53 1.94 |
61.5 60 56 |
23 27 26 |
2900 | 4 | 2.3 | 535 | 405 | 100 | 130 | 80 | 455 | 255 | 80 | 540 | 570 | 340 | 380 | PH150 | PH110 | 4-F18 | SD41-0,5 | 20 | ||
| 40-100 (I) |
8.8 12.5 16.3 |
2.44 3.47 4.53 |
13.2 12.5 11.3 |
55 62 60 |
2900 | 1.1 | 2.3 | 420 | 300 | 95 | 120 | 70 | 290 | 145 | 80 | 405 | 470 | 210 | 260 | PH150 | PH110 | 4-F18 | SD41-0,5 | 20 | ||
| Turi | Q oqimi | harakat m |
Samaradorlik (%) |
Sinxronizatsiya Aylanish tezligi r/min |
Elektr dvigateli Quvvat KVt |
Kavitatsiyani majburiy etkazib berish (m) |
Vertikal yozuvni o'rnatish | Gorizontal nasosning o'lchami | Flanjning o'lchami | Vibratsiyali izolyatsiya | H1 | ||||||||||||||
| m³/soat | L/S | H | L | h | B | C | H | h | a | L1 | L | L2 | B1 | D | D1 | n-d | Spetsifikatsiya | ||||||||
| 40-100(I)A |
8 11 14.5 |
2.22 3.05 4.06 |
10.6 10 9 |
52 60 56 |
2900 | 0.75 | 2.3 | 420 | 300 | 95 | 120 | 70 | 290 | 145 | 80 | 405 | 470 | 210 | 260 | PH150 | PH110 | 4-F18 | SD41-0,5 | 20 | |
| 40-125 (I) |
8.8 12.6 16.3 |
2.44 3.47 4.53 |
21.2 20 17.8 |
49 58 57 |
2900 | 1.5 | 2.3 | 430 | 305 | 90 | 120 | 70 | 320 | 170 | 90 | 440 | 480 | 250 | 300 | PH150 | PH110 | 4-F18 | SD41-0,5 | 20 | |
| 40-125(I)A |
8 11 14.5 |
2.22 3.05 4.03 |
17 16 14 |
47 57 54 |
2900 | 1.1 | 2.3 | 415 | 305 | 90 | 120 | 70 | 315 | 165 | 90 | 440 | 465 | 210 | 260 | PH150 | PH110 | 4-F18 | SD41-0,5 | 20 | |
| 40-160 (I) |
8.8 12.5 16.3 |
2.44 3.47 4.53 |
33 32 30 |
45 52 52 |
2900 | 3.0 | 2.3 | 505 | 325 | 100 | 130 | 80 | 380 | 220 | 85 | 485 | 540 | 280 | 320 | PH150 | PH110 | 4-F18 | SD41-0,5 | 20 | |
| 40-160(I)A |
8.2 11.7 15.2 |
2.28 3.25 4.22 |
29 28 26 |
44 41 50 |
2900 | 2.2 | 2.3 | 465 | 325 | 100 | 130 | 80 | 380 | 220 | 85 | 455 | 495 | 280 | 310 | PH150 | PH110 | 4-F18 | SD41-0,5 | 20 | |
| 40-160(I)B |
7.8 10.4 13.5 |
2.38 2.89 3.75 |
23 22 20.5 |
44 49 47 |
2900 | 1.5 | 2.3 | 440 | 325 | 100 | 130 | 80 | 380 | 220 | 85 | 455 | 495 | 280 | 310 | PH150 | PH110 | 4-F18 | SD41-0,5 | 20 | |
| Turi | Q oqimi | harakat m |
Samaradorlik (%) |
Sinxronizatsiya Aylanish tezligi r/min |
Elektr dvigateli Quvvat KVt |
Kavitatsiyani majburiy etkazib berish (m) |
Vertikal yozuvni o'rnatish | Gorizontal nasosning o'lchami | Flanjning o'lchami | Vibratsiyali izolyatsiya | H1 | |||||||||||||
| m³/soat | L/S | H | L | h | B | C | H | h | a | L1 | L | L2 | B1 | D | D1 | n-d | Spetsifikatsiya | |||||||
| 40-200 (I) |
8.8 12.5 16.3 |
2.44 3.47 4.53 |
51.2 50 48 |
38 46 46 |
2900 | 5.5 | 2.3 | 580 | 345 | 95 | 130 | 80 | 400 | 220 | 100 | 535 | 590 | 340 | 340 | PH150 | PH110 | 4-F18 | SD41-0,5 | 20 |
| 40-200(I)A |
8.3 11.7 15.3 |
2.31 3.25 4.25 |
45 44 42 |
37 45 45 |
2900 | 4 | 2.3 | 530 | 345 | 95 | 130 | 80 | 400 | 220 | 100 | 490 | 580 | 300 | 340 | PH150 | PH110 | 4-F18 | SD41-0,5 | 20 |
| 40-200(I)B |
7.5 10.6 13.8 |
2.08 2.94 3.83 |
37 36 34 |
35 44 42 |
2900 | 3 | 2.3 | 500 | 345 | 95 | 130 | 80 | 410 | 230 | 100 | 490 | 550 | 300 | 340 | PH150 | PH110 | 4-F18 | SD41-0,5 | 20 |
| 40-250 (I) |
8.8 12.5 16.3 |
2.44 3.47 4.53 |
81.2 80 77.5 |
31 38 40 |
2900 | 11 | 2.3 | 675 | 440 | 100 | 160 | 100 | 495 | 270 | 100 | 640 | 735 | 430 | 430 | PH150 | PH110 | 4-F18 | SD41-0,5 | 20 |
| 40-250(I)A |
8.2 11.6 15.2 |
2.28 3.22 4.22 |
71 70 68 |
28 38 39 |
2900 | 7.5 | 2.3 | 585 | 440 | 100 | 160 | 100 | 480 | 255 | 100 | 540 | 645 | 340 | 380 | PH150 | PH110 | 4-F18 | SD41-0,5 | 20 |
| 40-250(I)B |
7.6 10.8 14 |
2.11 3 3.89 |
61.4 60 58 |
28 37 37 |
2900 | 7.5 | 2.3 | 585 | 440 | 100 | 160 | 100 | 480 | 255 | 100 | 540 | 645 | 340 | 380 | PH150 | PH110 | 4-F18 | SD41-0,5 | 20 |
| Turi | Q oqimi | harakat m |
Samaradorlik (%) |
Sinxronizatsiya Aylanish tezligi r/min |
Elektr dvigateli Quvvat KVt |
Kavitatsiyani majburiy etkazib berish (m) |
Vertikal yozuvni o'rnatish | Gorizontal nasosning o'lchami | Flanjning o'lchami | Vibratsiyali izolyatsiya | H1 | |||||||||||||
| m³/soat | L/S | H | L | h | B | C | H | h | a | L1 | L | L2 | B1 | D | D1 | n-d | Spetsifikatsiya | |||||||
| 40-250 (I) S |
7.1 10 13.1 |
1.97 2.78 3.64 |
53.2 52 50.4 |
26 36 35 |
2900 | 5.5 | 2.3 | 585 | 440 | 100 | 160 | 100 | 480 | 255 | 100 | 540 | 645 | 340 | 380 | PH150 | PH110 | 4-F18 | SD41-0,5 | 20 |
| 50-100 |
8.8 12.5 16.3 |
2.44 3.47 4.53 |
13.6 12.5 11.3 |
55 62 60 |
2900 | 1.1 | 2.3 | 420 | 300 | 95 | 120 | 70 | 290 | 145 | 80 | 405 | 470 | 210 | 260 | PH 165 | PH125 | 4-F18 | SD41-0,5 | 20 |
| 50-100A |
8 11 14.5 |
2.22 3.05 4.03 |
11 10 9 |
52 60 56 |
2900 | 0.75 | 2.3 | 420 | 300 | 95 | 120 | 70 | 290 | 145 | 80 | 405 | 470 | 210 | 260 | PH 165 | PH125 | 4-F18 | SD41-0,5 | 20 |
| 50-125 |
8.8 12.5 16.3 |
2.44 3.47 4.53 |
21.5 20 17.8 |
49 58 57 |
2900 | 1.5 | 2.3 | 430 | 305 | 90 | 120 | 70 | 320 | 170 | 90 | 440 | 480 | 250 | 300 | PH 165 | PH125 | 4-F18 | SD41-0,5 | 20 |
| 50-125A |
8 11 14.5 |
2.22 3.05 4.03 |
17 16 14 |
47 57 54 |
2900 | 1.1 | 2.3 | 415 | 305 | 90 | 120 | 70 | 315 | 165 | 90 | 405 | 465 | 210 | 260 | PH 165 | PH125 | 4-F18 | SD41-0,5 | 20 |
| 50-160 |
8.8 12.5 16.3 |
2.44 3.47 4.53 |
33 32 30 |
45 52 51 |
2900 | 3 | 2.3 | 505 | 325 | 100 | 130 | 80 | 385 | 220 | 85 | 485 | 535 | 280 | 320 | PH 165 | PH125 | 4-F18 | SD41-0,5 | 20 |
| 50-160A |
8.2 11.7 15.2 |
2.28 3.25 4.22 |
29 28 26 |
44 51 50 |
2900 | 2.2 | 2.3 | 465 | 325 | 100 | 130 | 80 | 385 | 220 | 85 | 455 | 495 | 280 | 310 | PH 165 | PH125 | 4-F18 | SD41-0,5 | 20 |
| Turi | Q oqimi | harakat m |
Samaradorlik (%) |
Sinxronizatsiya Aylanish tezligi r/min |
Elektr dvigateli Quvvat KVt |
Kavitatsiyani majburiy etkazib berish (m) |
Vertikal yozuvni o'rnatish | Gorizontal nasosning o'lchami | Flanjning o'lchami | Vibratsiyali izolyatsiya | H1 | |||||||||||||
| m³/soat | L/S | H | L | h | B | C | H | h | a | L1 | L | L2 | B1 | D | D1 | n-d | Spetsifikatsiya | |||||||
| 50-160B |
7.3 10.4 13.5 |
2.38 2.89 2.75 |
23 22 20.5 |
42 49 47 |
2900 | 1.5 | 2.3 | 440 | 325 | 100 | 130 | 80 | 385 | 220 | 85 | 455 | 470 | 280 | 310 | PH 165 | PH125 | 4-F18 | SD41-0,5 | 20 |
| 50-200 |
8.8 12.5 16.3 |
2.44 3.47 4.53 |
52 45 45 |
38 46 46 |
2900 | 5.5 | 2.3 | 580 | 345 | 95 | 130 | 80 | 400 | 220 | 85 | 535 | 635 | 340 | 340 | PH 165 | PH125 | 4-F18 | SD41-0,5 | 20 |
| 50-200A |
8.3 11.7 15.3 |
2.31 3.25 4.25 |
45.8 44 42 |
37 45 45 |
2900 | 4 | 2.3 | 530 | 345 | 95 | 130 | 80 | 400 | 220 | 85 | 490 | 580 | 300 | 340 | PH 165 | PH125 | 4-F18 | SD41-0,5 | 20 |
| 50-200b |
7.5 10.6 13.8 |
2.08 2.94 3.83 |
37 36 34 |
35 44 42 |
2900 | 3 | 2.3 | 500 | 345 | 100 | 130 | 80 | 400 | 220 | 85 | 490 | 555 | 300 | 340 | PH 165 | PH125 | 4-F18 | SD41-0,5 | 20 |
| 50-250 |
8.8 12.5 16.3 |
2.44 3.47 4.53 |
82 80 77.5 |
29 25 40 |
2900 | 11 | 2.3 | 685 | 445 | 110 | 160 | 100 | 495 | 270 | 100 | 640 | 735 | 430 | 430 | PH 165 | PH125 | 4-F18 | SD41-0,5 | 20 |
| 50-250A |
8.2 11.6 15.2 |
2.28 3.22 4.22 |
71.5 70 68 |
28 38 39 |
2900 | 7.5 | 2.3 | 595 | 445 | 110 | 160 | 100 | 480 | 255 | 100 | 540 | 645 | 340 | 380 | PH 165 | PH125 | 4-F18 | SD41-0,5 | 20 |
| Turi | Q oqimi | harakat m |
Samaradorlik (%) |
Sinxronizatsiya Aylanish tezligi r/min |
Elektr dvigateli Quvvat KVt |
Kavitatsiyani majburiy etkazib berish (m) |
Vertikal yozuvni o'rnatish | Gorizontal nasosning o'lchami | Flanjning o'lchami | Vibratsiyali izolyatsiya | H1 | |||||||||||||
| m³/soat | L/S | H | L | h | B | C | H | h | a | L1 | L | L2 | B1 | D | D1 | n-d | Spetsifikatsiya | |||||||
| 50-250B |
7.6 10.8 14 |
2.11 3 3.89 |
61.4 60 58 |
28 37 37 |
2900 | 7.5 | 2.3 | 595 | 445 | 110 | 160 | 100 | 480 | 255 | 100 | 540 | 645 | 340 | 380 | PH 165 | PH125 | 4-F18 | SD41-0,5 | 20 |
| 50-250C |
7.1 10 13.1 |
1.97 2.78 3.64 |
53.2 52 50.4 |
26 36 35 |
2900 | 5.5 | 2.3 | 595 | 445 | 110 | 160 | 100 | 480 | 255 | 100 | 540 | 645 | 340 | 380 | PH 165 | PH125 | 4-F18 | SD41-0,5 | 20 |
| 50-100 (I) |
17.5 25 |
4.86 6.94 |
13.7 12.5 |
67 69 |
2900 | 1.5 | 2.5 | 440 | 320 | 100 | 160 | 100 | 370 | 210 | 95 | 440 | 510 | 300 | 350 | PH 165 | PH125 | 4-F18 | SD41-0,5 | 20 |
| 50-100(I)A |
15.6 22.3 29 |
4.3 6.19 8.1 |
11 10 8.4 |
65 67 68 |
2900 | 1.1 | 2.5 | 425 | 320 | 100 | 160 | 100 | 370 | 210 | 95 | 440 | 470 | 250 | 300 | PH 165 | PH125 | 4-F18 | SD41-0,5 | 20 |
| 50-125 (I) |
17.5 25 32.5 |
4.86 6.94 9.03 |
21.5 20 18 |
60 68 67 |
2900 | 3 | 2.5 | 480 | 345 | 105 | 160 | 100 | 365 | 220 | 105 | 455 | 555 | 280 | 310 | PH 165 | PH125 | 4-F18 | SD41-0,5 | 20 |
| 50-125(I)A |
15.6 22.3 |
4.33 6.19 |
17 16 |
58 66 |
2900 | 2.2 | 2.5 | 480 | 345 | 105 | 160 | 100 | 365 | 220 | 105 | 455 | 515 | 280 | 310 | PH 165 | PH125 | 4-F18 | SD41-0,5 | 20 |
| 50-160 (I) |
17.5 25 32.5 |
4.86 6.94 9.03 |
34.4 32 27.5 |
54 63 60 |
2900 | 4 | 2.5 | 540 | 365 | 105 | 160 | 100 | 405 | 230 | 80 | 505 | 665 | 280 | 350 | PH 165 | PH125 | 4-F18 | SD41-0,5 | 20 |
| Turi | Q oqimi | harakat m |
Samaradorlik (%) |
Sinxronizatsiya Aylanish tezligi r/min |
Elektr dvigateli Quvvat KVt |
Kavitatsiyani majburiy etkazib berish (m) |
Vertikal yozuvni o'rnatish | Gorizontal nasosning o'lchami | Flanjning o'lchami | Vibratsiyali izolyatsiya | H1 | |||||||||||||
| m³/soat | L/S | H | L | h | B | C | H | h | a | L1 | L | L2 | B1 | D | D1 | n-d | Spetsifikatsiya | |||||||
| 50-160(I)A |
16.4 23.4 30.4 |
4.56 6.5 8.44 |
30 28 24 |
54 52 59 |
2900 | 4 | 2.3 | 540 | 365 | 105 | 160 | 100 | 405 | 230 | 80 | 505 | 665 | 300 | 350 | PH 165 | PH125 | 4-F18 | SD41-0,5 | 20 |
| 50-160(I)B |
15 21.6 28 |
4.17 6 7.78 |
26 24 20.6 |
49 58 54 |
2900 | 3 | 2.3 | 510 | 365 | 105 | 160 | 100 | 405 | 230 | 85 | 505 | 640 | 300 | 350 | PH 165 | PH125 | 4-F18 | SD41-0,5 | 20 |
| 50-200 (I) |
17.5 25 32.5 |
4.86 6.94 9.03 |
52.7 50 45.5 |
49 58 59 |
2900 | 7.5 | 2.3 | 595 | 390 | 105 | 160 | 100 | 405 | 220 | 100 | 535 | 640 | 340 | 340 | PH 165 | PH125 | 4-F18 | SD41-0,5 | 20 |
| 50-200(I)A |
16.4 23.5 30.5 |
4.56 6.53 8.47 |
46.4 44 40 |
48 57 58 |
2900 | 7.5 | 2.3 | 595 | 390 | 105 | 160 | 100 | 405 | 220 | 100 | 535 | 640 | 340 | 340 | PH 165 | PH125 | 4-F18 | SD41-0,5 | 20 |
| 50-200(I)B |
15.2 21.8 28.3 |
4.22 6.06 7.86 |
40 38 34.5 |
45 55 55 |
2900 | 5.5 | 2.3 | 595 | 390 | 105 | 160 | 100 | 405 | 220 | 100 | 535 | 640 | 340 | 340 | PH 165 | PH125 | 4-F18 | SD41-0,5 | 20 |
| 50-250 (I) |
17.5 25 32.5 |
4.86 6.94 9.03 |
82 80 76.5 |
39 50 52 |
2900 | 15 | 2.3 | 695 | 485 | 120 | 180 | 120 | 515 | 270 | 105 | 695 | 740 | 430 | 440 | PH 165 | PH125 | 4-F18 | SD41-0,5 | 20 |
| 50-250(I)A |
16.4 23.4 30.5 |
4.56 6.5 8.47 |
71.5 70 67 |
39 50 52 |
2900 | 11 | 2.3 | 695 | 485 | 120 | 180 | 120 | 515 | 270 | 105 | 695 | 740 | 430 | 440 | PH 165 | PH125 | 4-F18 | SD41-0,5 | 20 |
| Turi | Q oqimi | harakat m |
Samaradorlik (%) |
Sinxronizatsiya Aylanish tezligi r/min |
Elektr dvigateli Quvvat KVt |
Kavitatsiyani majburiy etkazib berish (m) |
Vertikal yozuvni o'rnatish | Gorizontal nasosning o'lchami | Flanjning o'lchami | Vibratsiyali izolyatsiya | H1 | |||||||||||||
| m³/soat | L/S | H | L | h | B | C | H | h | a | L1 | L | L2 | B1 | D | D1 | n-d | Spetsifikatsiya | |||||||
| 50-250(I)B |
15 21.6 28 |
4.17 6 7.78 |
61 60 57.4 |
38 49 54 |
2900 | 11 | 2.3 | 695 | 485 | 120 | 180 | 120 | 515 | 270 | 105 | 695 | 740 | 430 | 440 | PH 165 | PH125 | 4-F18 | SD41-0,5 | 20 |
| 50-315 (I) |
17.5 25 32.5 |
4.86 6.94 9.03 |
128 125 122 |
30 40 44 |
2900 | 30 | 2.5 | 865 | 550 | 130 | 180 | 120 | 565 | 290 | 130 | 740 | 930 | 405 | 460 | PH 165 | PH125 | 4-F18 | SD41-0,5 | 20 |
| 50-315(I)A |
16.6 23.7 31 |
4.61 6.58 8.6 |
115 113 110 |
30 40 44 |
2900 | 22 | 2.5 | 785 | 550 | 130 | 180 | 120 | 565 | 290 | 130 | 740 | 850 | 405 | 460 | PH 165 | PH125 | 4-F18 | SD41-0,5 | 20 |
| 50-315(I)B |
15.7 22.5 29.2 |
4.36 6.25 8 |
103 101 98 |
30 39 42 |
2900 | 18.5 | 2.5 | 785 | 550 | 130 | 180 | 120 | 565 | 290 | 130 | 740 | 850 | 405 | 460 | PH 165 | PH125 | 4-F18 | SD41-0,5 | 20 |
| 50-315 (I) S |
14.4 20.6 26.8 |
4 5.72 7.44 |
86 85 83 |
38 46 40 |
2900 | 15 | 2.5 | 705 | 550 | 130 | 180 | 120 | 565 | 290 | 130 | 740 | 770 | 405 | 460 | PH 165 | PH125 | 4-F18 | SD41-0,5 | 20 |
| 65-100 |
17.5 25 32.5 |
4.86 6.94 9.03 |
13.7 12.5 10.5 |
67 69 69 |
2900 | 1.5 | 2.5 | 495 | 325 | 95 | 160 | 100 | 380 | 220 | 95 | 455 | 510 | 280 | 310 | PH 165 | PH125 | 4-F18 | SD41-0,5 | 20 |