HWC silliqlash mashinasi quvur liniyasi kanalizatsiya nasosi
  • HWC silliqlash mashinasi quvur liniyasi kanalizatsiya nasosi HWC silliqlash mashinasi quvur liniyasi kanalizatsiya nasosi

HWC silliqlash mashinasi quvur liniyasi kanalizatsiya nasosi

HWC silliqlash mashinasi quvur liniyasi kanalizatsiya nasosi spiral pervaneli gorizontal kanalizatsiya to'sar nasosidir. U uzoq vaqt davomida uzluksiz ishlashi mumkin. Bu nasos stansiyalari va suv tozalash inshootlaridagi uskunalarning barqaror ishlashiga xizmat qilish bilan birga, texnik xizmat ko‘rsatish xarajatlarini sezilarli darajada kamaytirishga xizmat qilmoqda. Ushbu nasoslar ko'plab suv tozalash inshootlarida, nasos stantsiyalarida, suv toshqini nazorati inshootlarida va suv parklarida keng qo'llaniladi.

So'rov yuborish

Mahsulot tavsifi

HWC silliqlash mashinasi quvur liniyasi kanalizatsiya nasosi

mahsulot assortimenti

80 HWC 2 11
Chiqish hajmi
Chiqish hajmi
(mm)
Nasos turi
Nasos turi Ikki qutbli dvigatel

Ikki kutupli dvigatel

Ikki kutupli dvigatel

Quvvat
Quvvat
(KVt)


diapazon xususiyati

Quvvat 1,5-15 kVt
Polyaklar/Polonyalar 2
Kalibr / tushirish DN50-100
MAX. OQIM/Maks. oqim tezligi 161 m³/soat
MAX. PRESSURE/Maks bosh 42 m


Hajmi

Turi
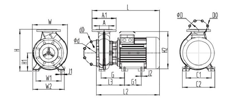
L (mm) L2 (mm) L3 (mm) H (mm) H1 (mm) H2 (mm) Vt (mm) W1 (mm) W2 (mm) J1 (mm) C1 (mm) C2 (mm) J2 (mm) G (mm) G1 (mm) A1 (mm) A (mm) d (mm) D (mm) D0 (mm)
50HWC2-1,5kVt 430 426 183 220 90 224.5 181 - - - 140 184 4-f10 - 125 140 50 f160 f110 4-f14
50HWC2-2,2kVt 466 433 190 285 120 224.5 228 160 210 15 140 184 4-f10 175 125 165 50 f160 f110 4-f14
50HWC2-3,7kVt 521 488 202 281 112 289 235 180 230 15 190 220 4-f12 187 140 165 50 f160 f110 4-f14
80HWC2-7,5kVt 562 530 237.5 352 152 345 292 212 263 12 216 270 4-f12 140 198 200 80 f210 f160 8-f18
80HWC2-9,2kVt 738 703 481 415.5 180 390 334 254 318 17 254 315 2-f17 443.5 - 200 80 f210 f160 8-f18
80HWC2-11kVt 738 703 481 415.5 180 390 334 254 318 17 254 315 2-f17 443.5 - 200 80 f210 f160 8-f18
80HWC2-15kVt 738 703 481 415.5 180 390 334 254 318 17 254 315 2-f17 443.5 - 200 80 f210 f160 8-f18
100HWC2-11kVt
100HWC2-15kVt


GNISW seriyali gorizontal kanalizatsiya chiqib ketish nasoslarining parametrlar jadvali

Turi
Turi
Kuchlanishi
Voltaj (V)
Quvvat Chiqish Reyting oqimi
Q.rated
(m³/soat)
Reyting. Oqim
H.rated
(m)
MAX. OQIM
Q.max
(m³/soat)
MAX. SAJAT
H.max
(m)
Posilka hajmi
(sm)
(KVt) (HP) (mm)
50HWC2-1,5 380V 1.5 2 50 12 15 29 18 49*26*23
50HWC2-2.2 380V 2.2 3 50 10 20 32 27 49*26*23
80HWC2-3.7 380V 3.7 5.5 50 45 17 78 27 55*33*26
80HWC2-7,5 380V 7.5 10 80 40 25 98 32 62*39*31
80HWC2-9.2 380V 9.2 12.5 80 20 40 50 46 77*45*36
80HWC2-11 380V 11 15 80 15 50 55 55 80*45*36
80HWC2-15 380V 15 20 80 20 55 60 61 80*45*36
100HWC2-11 380V 11 15 100 80 25 160 39
100HWC2-15 380V 15 20 100 80 30 161 42




Hot Tags: HWC silliqlash mashinasi quvur liniyasi kanalizatsiya nasosi, Xitoy, ishlab chiqaruvchi, yetkazib beruvchi, zavod, moslashtirilgan, sifat, so'nggi sotuvlar, stokda, brendlar, Idoralar, Taizhou
X
Biz cookie-fayllardan sizga yaxshiroq ko'rish tajribasini taklif qilish, sayt trafigini tahlil qilish va kontentni shaxsiylashtirish uchun foydalanamiz. Ushbu saytdan foydalanish orqali siz bizning cookie-fayllardan foydalanishimizga rozilik bildirasiz. Maxfiylik siyosati
Rad etish Qabul qiling