ZST standart santrifüj nasosi uzoq xizmat muddati, mustahkam qurilish va yuqori unumdor komponentlar uchun mo'ljallangan.
Strukturaviy xususiyatlar:EN733 standart santrifüj nasos korpusining o'lchami
quyma temir nasos korpusi, gardish aloqasi
ISO 228/1 ga muvofiq quyma temir birlashtiruvchi gardishlar
G'ildirak: quyma temir yoki 304 zanglamaydigan po'lat
Elektr dvigateli: izolyatsiya klassi F
Himoya klassi IP55
● Tashish: 220 m³/soatgacha
● Suv darajasi: 95 metrgacha
● Nasos: 7 metrgacha
● Suyuqlik harorati: - 10°C - 90°C
● Atrof-muhit harorati: - 10°C - 40°C
● Maksimal ish bosimi: 10 bar (PN 10)
Dvigatelning uzoq vaqt davomida uzluksiz ishlashiga imkon beradi: S1
● Suv ta'minoti
● Bosim
● Sug'orish
●Markaziy konditsioner sikli
● yong'inga qarshi suv ta'minoti
● Sanoat suvi
● Qishloq xo'jaligi uchun suv
ZST m 32-160/30
● ZST: Standart markazdan qochma nasos
● m: bir fazali vosita (uch fazali vosita kiritilmagan)
● 32: chiqish diametri (mm)
● 160: pervanel diametri (mm)
● 30: Nominal quvvat (1/10 kVt)
|
Model |
Quvvat |
L/min |
Q oqimi = etkazib berish |
DN |
|||||||||||||||||||||||
|
0 |
100 |
150 |
250 |
300 |
400 |
450 |
600 |
700 |
800 |
900 |
1200 |
1400 |
1500 |
1800 |
2000 |
2300 |
3000 |
3500 |
|||||||||
|
KVt HP |
M³/soat |
0 |
6 |
9 |
15 |
18 |
24 |
27 |
36 |
42 |
48 |
54 |
72 |
84 |
90 |
108 |
120 |
138 |
180 |
210 |
mm |
||||||
|
32-125/07 |
0.75 |
1 |
Bosh (m) |
17.5 |
16.7 |
15 |
12 |
9 |
|
|
|
|
|
|
|
|
|
|
|
|
|
|
50×32 |
||||
|
32-125/11 |
1.1 |
1.5 |
22 |
21 |
19.7 |
16.5 |
14.5 |
9 |
|
|
|
|
|
|
|
|
|
|
|
|
|
50×32 |
|||||
|
32-160/15 |
1.5 |
2 |
25.4 |
23.7 |
22.5 |
18.5 |
15.8 |
|
|
|
|
|
|
|
|
|
|
|
|
|
|
50×32 |
|||||
|
32-160/22 |
2.2 |
3 |
31 |
29.6 |
28.5 |
24.5 |
22 |
15 |
|
|
|
|
|
|
|
|
|
|
|
|
|
50×32 |
|||||
|
32-160/30 |
3 |
4 |
35 |
34.3 |
32.5 |
28 |
25.5 |
19 |
15 |
|
|
|
|
|
|
|
|
|
|
|
|
50×32 |
|||||
|
32-200/30 |
3 |
4 |
44.2 |
42 |
39.8 |
35.2 |
32.2 |
24.6 |
19.8 |
|
|
|
|
|
|
|
|
|
|
|
|
50×32 |
|||||
|
32-200/40 |
4 |
5.5 |
54.5 |
52 |
50 |
45.5 |
42.3 |
35 |
30.3 |
|
|
|
|
|
|
|
|
|
|
|
|
50×32 |
|||||
|
32-250/55 |
5.5 |
7.5 |
60 |
59.5 |
59 |
55 |
50.2 |
34.5 |
|
|
|
|
|
|
|
|
|
|
|
|
|
50×32 |
|||||
|
32-250/75 |
7.5 |
10 |
69.5 |
69 |
68.5 |
66 |
63 |
53 |
|
|
|
|
|
|
|
|
|
|
|
|
|
50×32 |
|||||
|
32-250/92 |
9.2 |
12.5 |
75 |
75 |
74.5 |
72 |
69 |
59 |
|
|
|
|
|
|
|
|
|
|
|
|
|
50×32 |
|||||
|
32-250/110 |
11 |
15 |
90 |
89.5 |
88 |
82 |
78 |
66 |
|
|
|
|
|
|
|
|
|
|
|
|
|
50×32 |
|||||
|
32-250/150 |
15 |
20 |
97 |
96.5 |
96 |
90 |
86 |
73 |
|
|
|
|
|
|
|
|
|
|
|
|
|
50×32 |
|||||
|
40-125/11 |
1.1 |
1.5 |
14.7 |
|
|
|
13 |
11.5 |
10.1 |
5.8 |
|
|
|
|
|
|
|
|
|
|
|
65×40 |
|||||
|
40-125/15 |
1.5 |
2.2 |
18.1 |
|
|
|
17 |
15 |
13.9 |
10 |
6 |
|
|
|
|
|
|
|
|
|
|
65×40 |
|||||
|
40-125/22 |
2.2 |
3 |
24.5 |
|
|
|
23.2 |
21.5 |
20.2 |
16 |
13 |
8.3 |
|
|
|
|
|
|
|
|
|
65×40 |
|||||
|
40-160/30 |
3 |
4 |
31.8 |
|
|
|
29.5 |
27.5 |
26.3 |
21.5 |
17.5 |
|
|
|
|
|
|
|
|
|
|
65×40 |
|||||
|
40-160/40 |
4 |
5.5 |
38 |
|
|
|
36 |
34 |
33 |
28.5 |
25 |
20.1 |
|
|
|
|
|
|
|
|
|
65×40 |
|||||
|
40-200/55 |
5.5 |
7.5 |
46 |
|
|
|
43.8 |
41.3 |
40.1 |
35 |
30 |
|
|
|
|
|
|
|
|
|
|
65×40 |
|||||
|
40-200/75 |
7.5 |
10 |
57 |
|
|
|
53.6 |
51.5 |
50 |
45 |
41 |
36.5 |
|
|
|
|
|
|
|
|
|
65×40 |
|||||
|
40-250/92 |
9.2 |
12.5 |
64 |
|
|
|
59 |
56.5 |
55 |
49.5 |
45 |
39.8 |
|
|
|
|
|
|
|
|
|
65×40 |
|||||
|
40-250/110 |
11 |
15 |
72 |
|
|
|
67.5 |
65 |
63.5 |
57.5 |
52.2 |
47 |
|
|
|
|
|
|
|
|
|
65×40 |
|||||
|
40-250/150 |
15 |
20 |
84.5 |
|
|
|
79.3 |
77.3 |
75.2 |
70 |
66 |
61 |
|
|
|
|
|
|
|
|
|
65×40 |
|||||
|
40-250/185 |
18.5 |
25 |
90 |
|
|
|
85.5 |
82.8 |
80.7 |
75.8 |
70.5 |
66.5 |
|
|
|
|
|
|
|
|
|
65×40 |
|||||
|
50-125/22 |
2.2 |
3 |
17 |
|
|
|
|
|
|
15.4 |
14 |
12.8 |
11.5 |
6.5 |
|
|
|
|
|
|
|
65×50 |
|||||
|
50-125/30 |
3 |
4 |
20 |
|
|
|
|
|
|
18.8 |
18 |
17 |
15.6 |
11 |
|
|
|
|
|
|
|
65×50 |
|||||
|
50-125/40 |
4 |
5.5 |
24 |
|
|
|
|
|
|
23.1 |
23 |
21.5 |
20.3 |
15.8 |
11.8 |
|
|
|
|
|
|
65×50 |
|||||
|
50-160/55 |
5.5 |
7.5 |
32 |
|
|
|
|
|
|
30.6 |
30.0 |
28.0 |
26.6 |
20.5 |
14.8 |
|
|
|
|
|
|
65×50 |
|||||
|
50-160/75 |
7.5 |
10 |
40 |
|
|
|
|
|
|
38 |
37 |
36 |
34.4 |
29 |
24 |
21 |
|
|
|
|
|
65×50 |
|||||
|
50-200/92 |
9.2 |
12.5 |
50.5 |
|
|
|
|
|
|
46.8 |
45 |
43 |
40.9 |
32.5 |
26.7 |
|
|
|
|
|
|
65×50 |
|||||
|
50-200/110 |
11 |
15 |
57.5 |
|
|
|
|
|
|
53.5 |
52 |
50 |
47.5 |
40 |
34 |
29 |
|
|
|
|
|
65×50 |
|||||
|
50-200/150 |
15 |
20 |
62 |
|
|
|
|
|
|
58 |
56.5 |
54.5 |
52 |
44.5 |
39 |
35.5 |
|
|
|
|
|
65×50 |
|||||
|
50-250/150 |
15 |
20 |
68.5 |
|
|
|
|
|
|
64 |
63 |
61.5 |
59 |
50 |
41 |
|
|
|
|
|
|
65×50 |
|||||
|
50-250/185 |
18.5 |
25 |
79 |
|
|
|
|
|
|
75.8 |
74.8 |
74 |
71.5 |
63.5 |
55.5 |
47 |
|
|
|
|
|
65×50 |
|||||
|
50-250/220 |
22 |
30 |
89.5 |
|
|
|
|
|
|
86 |
85.3 |
84 |
81.5 |
73.5 |
63.5 |
57 |
|
|
|
|
|
65×50 |
|||||
|
65-125/40 |
4 |
5.5 |
19 |
|
|
|
|
|
|
|
|
17.3 |
16.8 |
14.5 |
13 |
11.8 |
|
|
|
|
|
80×65 |
|||||
|
65-125/55 |
5.5 |
7.5 |
23 |
|
|
|
|
|
|
|
|
21.3 |
20.9 |
19 |
17.5 |
16.7 |
13.7 |
|
|
|
|
80×65 |
|||||
|
65-125/75 |
7.5 |
10 |
27 |
|
|
|
|
|
|
|
|
26 |
25.6 |
24.5 |
23 |
22.5 |
20 |
18 |
|
|
|
80×65 |
|||||
|
65-160/92 |
9.2 |
12.5 |
33 |
|
|
|
|
|
|
|
|
|
31.5 |
30 |
28 |
27.1 |
24 |
21.5 |
|
|
|
80×65 |
|||||
|
65-160/110 |
11 |
15 |
36 |
|
|
|
|
|
|
|
|
|
34.5 |
33 |
31.5 |
30.8 |
28 |
25.5 |
|
|
|
80×65 |
|||||
|
65-160/150 |
15 |
20 |
42 |
|
|
|
|
|
|
|
|
|
41 |
40 |
38.5 |
37.8 |
35 |
33 |
29.5 |
|
|
80×65 |
|||||
|
65-200/150 |
15 |
20 |
45 |
|
|
|
|
|
|
|
|
|
45.5 |
43 |
41 |
40.2 |
36.5 |
34 |
|
|
|
80×65 |
|||||
|
65-200/185 |
18.5 |
25 |
52 |
|
|
|
|
|
|
|
|
|
52.3 |
51 |
49 |
48.2 |
44.5 |
42 |
|
|
|
80×65 |
|||||
|
65-200/220 |
22 |
30 |
59 |
|
|
|
|
|
|
|
|
|
59.5 |
58 |
56 |
55 |
52 |
49.5 |
44.5 |
|
|
80×65 |
|||||
|
65-250/220 |
22 |
30 |
64.8 |
|
|
|
|
|
|
|
|
|
64.7 |
62 |
60 |
58.5 |
53 |
50 |
|
|
|
80×65 |
|||||
|
Model |
Quvvat |
L/min |
Q oqimi = etkazib berish |
DN |
||||||||||||||
|
0 |
1000 |
1500 |
2000 |
2400 |
3000 |
3333 |
3500 |
3667 |
4000 |
4667 |
5000 |
6000 |
6667 |
|||||
|
KVt |
HP |
M³/soat |
0 |
60 |
90 |
120 |
144 |
180 |
200 |
210 |
220 |
240 |
280 |
300 |
360 |
400 |
mm |
|
|
80-125/40 |
4 |
5.5 |
Bosh (m) |
17 |
15 |
12.3 |
7.5 |
|
|
|
|
|
|
|
|
|
|
100×80 |
|
80-125/55 |
5.5 |
7.5 |
21 |
19.6 |
17.4 |
13.4 |
9.5 |
|
|
|
|
|
|
|
|
|
100×80 |
|
|
80-125/75 |
7.5 |
10 |
26 |
24.8 |
23 |
19.5 |
16.5 |
|
|
|
|
|
|
|
|
|
100×80 |
|
|
80-160/110 |
11 |
15 |
28 |
27 |
27.3 |
24.5 |
21.1 |
16 |
|
|
|
|
|
|
|
|
100×80 |
|
|
80-160/150 |
15 |
20 |
34 |
32.6 |
32.5 |
30.2 |
27 |
22.1 |
18.5 |
16.7 |
|
|
|
|
|
|
100×80 |
|
|
80-160/185 |
18.5 |
25 |
39 |
38.5 |
38 |
36.7 |
33.6 |
28.8 |
25.3 |
23.5 |
|
|
|
|
|
|
100×80 |
|
|
80-160/220 |
22 |
30 |
44 |
43.5 |
43 |
41.7 |
38.6 |
33.8 |
30.3 |
28.5 |
|
|
|
|
|
|
100×80 |
|
|
80-200/220 |
22 |
30 |
48 |
47.7 |
47.5 |
43.5 |
39.2 |
32.5 |
27.2 |
24.5 |
|
|
|
|
|
|
100×80 |
|
|
100-160/150 |
15 |
20 |
35 |
33.5 |
32.5 |
30 |
27.8 |
24.5 |
21.5 |
20 |
18.3 |
15 |
|
|
|
|
125×100 |
|
|
100-160/185 |
18.5 |
25 |
38.5 |
37.5 |
36.5 |
34.3 |
32.2 |
29 |
25.7 |
24 |
22 |
18 |
|
|
|
|
125×100 |
|
|
100-160/220 |
22 |
30 |
43 |
41 |
40 |
37.6 |
35.2 |
31.5 |
28.5 |
27 |
25.3 |
22 |
|
|
|
|
125×100 |
|
|
100-200/220 |
22 |
30 |
38.5 |
36.7 |
35.7 |
33.8 |
31.7 |
28.5 |
26.8 |
26 |
25 |
22.9 |
16.3 |
13 |
|
|
125×100 |
|
|
1. Eksport gardish 2. Nasos korpusi 3.Wheel 4. Import qilingan gardish 5. Yassi tugmalar 6. Mexanik muhr 7. Suvni ushlab turuvchi halqa |
8. Ulanish 9. O-ring 10. Elektr dvigatellari 11. Tayanch oyoq 12. Fan qopqog'i 13. Muxlislar 14. Ulanish qutisi |























|
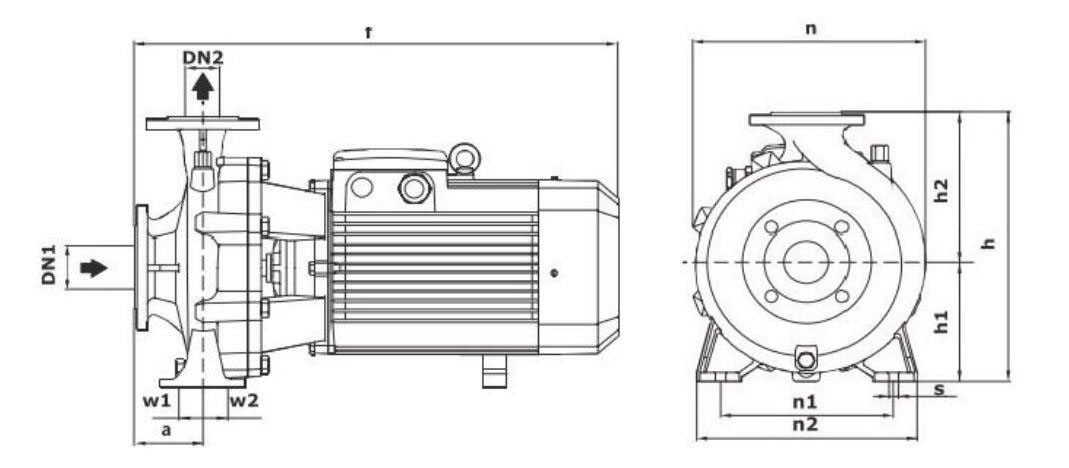
MODEL |
O'lchamlar (mm) |
kg |
||||||||||||||
|
Bir fazali |
Uch bosqich |
DN1 |
DN2 |
a |
f |
h |
h1 |
h2 |
n |
n1 |
n2 |
w1 |
w2 |
S |
1~ |
3~ |
|
32-125/7 |
32-125/7 |
50 |
32 |
80 |
435 |
255 |
114 |
141 |
202 |
140 |
190 |
35 |
35 |
15 |
27 |
24 |
|
32-125/11 |
32-125/11 |
28 |
25 |
|||||||||||||
|
32-160/15 |
32-160/15 |
83 |
470 |
295 |
133 |
162 |
245 |
190 |
245 |
38 |
34 |
|||||
|
32-160/22 |
32-160/22 |
43 |
39 |
|||||||||||||
|
32-160/30 |
32-160/30 |
54 |
50 |
|||||||||||||
|
32-200/30 |
32-200/30 |
82 |
490 |
342 |
161 |
181 |
265 |
240 |
56 |
52 |
||||||
|
|
32-200/40 |
|
53 |
|||||||||||||
|
|
32-250/55 |
88 |
590 |
405 |
186 |
219 |
333 |
250 |
328 |
49 |
49 |
16 |
|
66 |
||
|
|
32-250/75 |
|
73 |
|||||||||||||
|
|
32-250/110 |
|
95 |
|||||||||||||
|
|
32-250/55D |
160 |
610 |
362 |
162 |
200 |
330 |
216 |
280 |
37 |
37 |
14 |
|
73 |
||
|
|
32-250/75D |
|
80 |
|||||||||||||
|
40-125/11 |
40-125/11 |
65 |
40 |
82 |
440 |
260 |
116 |
144 |
220 |
160 |
212 |
15 |
30 |
27 |
||
|
40-125/15 |
40-125/15 |
33 |
29 |
|||||||||||||
|
40-125/22 |
40-125/22 |
38 |
34 |
|||||||||||||
|
40-160/30 |
40-160/30 |
80 |
490 |
305 |
135 |
170 |
250 |
190 |
241 |
52 |
48 |
|||||
|
|
40-160/40 |
|
50 |
|||||||||||||
|
|
40-200/55 |
102 |
560 |
345 |
162 |
193 |
282 |
214 |
267 |
|
66 |
|||||
|
|
40-200/75 |
|
73 |
|||||||||||||
|
|
40-250/92 |
94 |
712 |
415 |
186 |
229 |
327 |
250 |
327 |
49 |
49 |
|
100 |
|||
|
|
40-250/110 |
|
116 |
|||||||||||||
|
|
40-250/150 |
|
146 |
|||||||||||||
|
50-125/22 |
50-125/22 |
50 |
102 |
525 |
305 |
135 |
170 |
263 |
190 |
245 |
37 |
37 |
45 |
41 |
||
|
50-125/30 |
50-125/30 |
54 |
50 |
|||||||||||||
|
|
50-125/40 |
|
52 |
|||||||||||||
|
|
50-160/55 |
110 |
560 |
348 |
164 |
193 |
270 |
212 |
262 |
|
64 |
|||||
|
|
50-160/75 |
|
71 |
|||||||||||||
|
|
50-200/92 |
104 |
722 |
392 |
186 |
206 |
307 |
232 |
310 |
|
90 |
|||||
|
|
50-200/110 |
|
106 |
|||||||||||||
|
|
50-250/150 |
102 |
720 |
416 |
186 |
230 |
330 |
250 |
327 |
49 |
49 |
|
145 |
|||
|
|
50-250/185 |
|
153 |
|||||||||||||
|
|
50-250/220 |
|
183 |
|||||||||||||
|
|
65-125/40 |
80 |
65 |
104 |
580 |
345 |
162 |
193 |
275 |
212 |
280 |
|
56 |
|||
|
|
65-125/55 |
|
68 |
|||||||||||||
|
|
65-125/75 |
|
74 |
|||||||||||||
|
|
65-160/92 |
110 |
730 |
425 |
186 |
239 |
330 |
232 |
309 |
|
90 |
|||||
|
|
65-160/110 |
|
106 |
|||||||||||||
|
|
65-160/150 |
|
134 |
|||||||||||||
|
|
65-200/150 |
111 |
740 |
240 |
|
140 |
||||||||||
|
|
65-200/185 |
|
145 |
|||||||||||||
|
|
65-200/220 |
|
185 |
|||||||||||||
|
|
80-125/40 |
100 |
80 |
117 |
750 |
357 |
163 |
194 |
212 |
280 |
|
56 |
||||
|
|
80-125/55 |
|
68 |
|||||||||||||
|
|
80-125/75 |
|
74 |
|||||||||||||
|
|
80-160/110 |
88 |
435 |
186 |
250 |
255 |
332 |
|
113 |
|||||||
|
|
80-160/150 |
|
143 |
|||||||||||||
|
|
80-160/185 |
|
150 |
|||||||||||||
|
|
100-160/150 |
125 |
100 |
130 |
765 |
345 |
262 |
340 |
55 |
55 |
16 |
|
143 |
|||
|
|
100-160/185 |
|
150 |
|||||||||||||
|
|
100-160/220 |
|
183 |
|||||||||||||
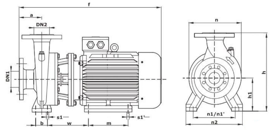
n1: Nasos tomoni/Bomba lado
n1': LADO elektr motori
|
Model 0 Uch bosqich |
Hajmi mm |
kg |
||||||||||||||
|
DN1 |
DN2 |
a |
f |
h |
h1 |
n |
n1 |
n1' |
n2 |
b |
W |
m |
s1 |
s1' |
3~ |
|
|
65-250/220 |
80 |
65 |
116 |
870 |
420 |
180 |
369 |
260 |
279 |
320 |
70 |
246 |
241 |
18 |
15 |
210 |
|
65-250/300 |
990 |
456 |
195 |
250 |
318 |
327 |
293 |
305 |
19 |
230 |
||||||
|
65-250/370 |
240 |
|||||||||||||||
|
80-200/220 |
100 |
80 |
118 |
880 |
460 |
250 |
360 |
310 |
279 |
260 |
95 |
258 |
20 |
212 |
||
|
80-200/300 |
950 |
318 |
246 |
241 |
15 |
222 |
||||||||||
|
80-250/370 |
130 |
537 |
490 |
310 |
228 |
305 |
19 |
245 |
||||||||
|
80-250/450 |
980 |
356 |
229 |
311 |
385 |
|||||||||||
|
80-250/550 |
1160 |
406 |
363 |
349 |
24 |
497 |
||||||||||
|
100-200/220 |
125 |
100 |
140 |
910 |
530 |
225 |
422 |
324 |
279 |
402 |
115 |
256 |
305 |
18 |
15 |
217 |
|
100-200/300 |
1025 |
318 |
248 |
241 |
227 |
|||||||||||
|
100-200/370 |
250 |
|||||||||||||||
|
100-250/450 |
1000 |
580 |
250 |
418 |
310 |
356 |
402 |
95 |
224 |
311 |
20 |
19 |
390 |
|||
|
100-250/550 |
1180 |
406 |
325 |
349 |
20 |
503 |
||||||||||
|
100-250/750 |
1250 |
280 |
436 |
535 |
||||||||||||
|
DN |
D mm |
K mm |
Teshik |
|
|
N |
phmm |
|||
|
32 |
140 |
100 |
4 |
18 |
|
40 |
150 |
110 |
||
|
50 |
165 |
125 |
||
|
65 |
185 |
145 |
||
|
80 |
200 |
160 |
8 |
|
|
100 |
220 |
180 |
||
|
125 |
250 |
210 |
||
|
Seriya |
Nasos |
Elektr zaryadsizlanishi |
Quvur liniyasi tavsiya etiladi Men klubni tavsiya qilaman |
|
|
Nasos |
Elektr zaryadsizlanishi |
|||
|
32 |
50 mm |
32 mm |
2½"-3" |
2"-2½" |
|
40 |
65 mm |
40 mm |
3"-4" |
2½"-3" |
|
50 |
65 mm |
50 mm |
4” |
3” |
|
65 |
80 mm |
65 mm |
5" |
4" |
|
80 |
100 mm |
80 mm |
6" |
5" |
|
100 |
125 mm |
100 mm |
8" |
6” |
ZBFS o'z-o'zidan ishlaydigan kimyoviy nasoslar
Zanglamaydigan po'latdan gorizontal santrifüj nasos
BWJ zanglamaydigan po'latdan gorizontal ko'p bosqichli santrifüj nasos
VSM vertikal markazdan qochma nasos
CDL (F) Vertikal ko'p bosqichli santrifüj zanglamaydigan po'latdan yasalgan nasos
EUV suv sterilizatori